安全多用途控制器 [PLe SIL3] SFL Ver.2
使安全更加簡單、方便的小型安全控制器。 可對應RS-485通信方式!(MODBUS-RTU)
- 基本信息
- 產品種類
- 詳細規格
- 產品尺寸
- 產品用途
- 可選件
使安全更加簡單、方便的小型安全控制器。
可對應RS-485通信方式!(MODBUS-RTU)
|
※1
|
※2
|
|
|
|
|
|
| ※1 | 機械?EMC指令 |
|---|---|
| ※2 | 可對應控制等級4 |
特點
適用于小型設備的安全系統
CPU模塊雖為小型,但仍可控制14點,且最多可擴展至254點。可在中小型設備中,通過I/O點數構建高效、經濟的安全系統。
由硬邏輯轉換為軟邏輯
以往,需使用安全繼電器單元和大量的硬接線來構建復雜的電路設計,并且難以進行擴展和變更。本產品則通過對安全電路的軟邏輯化,成功解決了這些問題。
|
簡化復雜的安全電路
SFL系列通過對安全電路的軟邏輯化,將多個安全繼電器單元的功能集成至1臺設備中。簡化了安全電路,同時也削減了設計至安全性的計算、施工、維護、設計變更,即裝置生命周期內各種環節所浪費的工時與成本。
|
簡單進行性能水平的適合證明
包括CPU在內的所有擴展單元都已經獲得了安全認證,從設計到擴展構建都可以簡單證實安全性能。即使多臺設備·回路時也可以通過計算輕松的證明安全性能。
對應RS-485通信[MODBUS-RTU(二進制)]
|
|
無需程序即可構建安全邏輯
無需程序簡單進行安全認證
簡易邏輯模式(MODE1)
|
■構建局部停止電路,以提高生產效率!
|
主次模塊SFL-SUB-MON只控制下位模塊,可實現局部停止。上位側發生異常時,整個電路都將停止。 |
|
自由程序模式(MODE3)
利用以IEC61131為標準的體形圖程序,即可通過復制粘貼輕松編制動作符號的圖符。
另外,可利用基于梯形圖和功能塊的自由程序自由設計安全電路,從而可輕松進行擴展與變更。
詳細請見專用軟件頁面。
可引入一般電路進行使用
可通過1臺CPU模塊控制安全電路與非安全電路,邏輯范圍進一步擴大。
|
實惠的安全磁力開關
無需通常所需的專用繼電器單元。可直接連接至SFL,從而削減成本。
|
節省光幕傳感器的配線
使用省配線的Y型連接器,可將光幕傳感器SF4C系列、S F 4 B系列的投光器和受光器的配線匯成1根,從而只需最小限度的配線作業即可連接至SFL上。
減少維護工時
|
采用可裝拆式端子座。省去了維護時重新配線的時間。 |
|
半導體輸出降低運行成本!
配有操作狀態下及發生故障時,對內容進行數字顯示的狀態顯示功能。
※除SFL-RELAY
可掌控操作狀態與故障內容
|
配有操作狀態下及發生故障時,對內容進行數字顯示的狀態顯示功能。 |
|
種類
產品構成
|
- 電源模塊SFL-POWER配置在左端(最上位)。
- CPU模塊選擇SFL-CPU-MON-V2或SFL-CPU-OP-MON-V2,并配置在電源模塊的右側(切槽No.0)。
- 根據需要,擴展各種模塊(插槽No.1~15)。
- 擴展插槽No.9以上時,在插槽No.8和9之間增加增壓器模塊SFL-BOOSTER。
- 非安全輸入、輸出模塊始終配置在右側(最下位)。簡易邏輯模式(MODE1)下無法使用。
模塊間連接基座
|
連接CPU模塊和擴展模塊時,需使用模塊間連接基座。所需個數=(含電源模塊在內的模塊總數)-1個 例:模塊總數為5個時,所需基座數為4個。 |
|
| 種類 | 形狀 | 型號 | 輸入點數 | 輸出點數 | ||||
|---|---|---|---|---|---|---|---|---|
|
半導體 (PNP) |
接點 | 半導體 | 接點 | |||||
|
基本 模塊 |
電源 模塊 |
|
- | |||||
|
CPU 模塊 |
|
SFL-CPU-MON-V2 |
4(注4) | 4 | 6 | - | ||
|
附帶備份 電池 (注1) |
|
SFL-CPU-OP-MON-V2 |
||||||
|
擴展 模塊 |
輸入 模塊 |
|
SFL-S-IN-E |
- | 16 | - | - | |
|
SFL-S-IN-LC |
16(注4) | - | - | - | |||
|
輸出 模塊 |
|
SFL-S-OUT |
- | - | 16 | - | ||
|
SFL-RELAY |
- | - | - | 2NOx2 | |||
|
輸入輸出混合 模塊 |
|
SFL-S-STP-E |
2(注4) | 4 | 4 | - | ||
|
SFL-S-STP-LC |
6(注4) | - | 4 | ||||
|
SFL-S-STP-ELC |
4(注4) | 2 | 4 | - | |||
|
主次 模塊 (注2) |
|
SFL-SUB-MON |
4(注4) | 4 | 6 | - | ||
|
非安全輸入 模塊 (注3) |
|
SFL-NS-IN |
16(注5) | - | - | |||
|
非安全輸出 模塊 (注3) |
|
SFL-NS-OUT+ |
- | - | 16 | - | ||
|
增壓器 模塊 |
|
SFL-BOOSTER |
- | |||||
| 模塊間連接基座 |
|
SFL-BASE |
- | |||||
|
RS-485通信用 電纜 |
長度1m |
|
SFL-CC1 |
- | ||||
| 長度3m |
SFL-CC3 |
|||||||
|
編程 軟件 (注6) |
日文版 |
|
SFL-SOFT-JP |
|||||
| 英文版 |
SFL-SOFT-EN |
|||||||
(注1):為在電源切斷時,維持故障記錄、非安全程序等數據,而附帶了電池。
(注2):在自由程序模式(MODE3)下,會作為輸入輸出混合單元進行動作。
(注3):簡易邏輯模式(MODE1)下無法使用。
(注4):輸入接點后,則變為類別3。
(注5):在公共端子上連接0V或24V電源后,可連接PNP/NPN半導體輸出及接點輸出的一般設備。
(注6):對象OS為Windows? 2000、XP、Vista、7(全32bit)。
Windows? 2000、XP、Vista、7為美國微軟公司在美國及其他國家的商標或注冊商標。
規格
共通規格
| 項目 | 規格 | |||||
|
使 用 標 準 |
國際標準 |
ISO 13849-1(類別4、PLe)、 ISO 13849-2、IEC 61508-1?7(SIL3) |
||||
| 日本 | JIS B 9705-1(類別4)、JIS C 0508-1?7(SIL3) | |||||
| 歐洲(EU加盟) | EN ISO 13849-1(類別4、PLe)、EN ISO 13849-2、EN 61508-1~7(SIL3) | |||||
| 電源電壓 | 24V DC±10% | |||||
| 消耗電流 |
2A以下(基于連接插槽數及連接模塊) 連接最多插槽的情況下,同時使用SFL-POWER和SFL-BOOSTER時:2A 與本產品連接的輸入、輸出設備的消耗電流除外 |
|||||
| 輸入?輸出點數 | 最少14點、最多254點(基于連接插槽數及連接模塊) | |||||
|
反 應 時 間 |
模式1 | PNP晶體管輸出:52.6ms、繼電器輸出:67.6ms | ||||
| 模式3 | PNP晶體管輸出:22.6ms、繼電器輸出:37.9ms | |||||
| 運用模式 | 需高頻動作或連續模式:IEC 61508 | |||||
| PFH | 1.64×10-8/h(連接最多插槽時) | |||||
| MTTFd | 57.8年(連接最多插槽時) | |||||
| DC | 99.1% | |||||
| CCF | 65點以上 | |||||
| 驗收試驗 | 20年 | |||||
|
耐 環 境 性 |
使用環境溫度 | 0?+55℃(注意不可結露、結冰)、存儲:-25?+70℃ | ||||
| 使用環境濕度 | 30?85%RH | |||||
| 耐振動 | IEC 60068-2-6 | 頻率 | 加速度 | 振幅 | 運行 | |
| 10?57Hz | - | 0.35mm |
20次 (1個倍頻程/分鐘) |
|||
| 57?150Hz | 5.0G | - | ||||
| 耐沖擊 | IEC 60068-2-29(10G、1,000±10次、X,Y和Z各方向) | |||||
| 瞬時停電 | 瞬時停電容許時間:10ms以下且瞬時停電的間隔為1s以上 | |||||
| 安裝場所 | 保護構造IP54以上的金屬制控制柜內 | |||||
| 安裝 |
安裝至寬35mm、高7.5mm的DIN導軌上 (IEC 60715/JIS C2812 縮頂導軌 TH35-7.5Al或TH35-7.5Fe) |
|||||
| 連接端子 | 可裝拆式彈簧壓緊端子(請使用導線尾盤。) | |||||
| 連接電纜 | 0.75mm2或1.0mm2(SFL-RELAY為0.75mm2?1.5mm2) | |||||
| 材質 |
本體外殼:PPE、前罩:聚碳酸酯 DIN導軌裝拆桿:AES、DIN導軌支架:鐵 |
|||||
電源規格
| 種類 | 電源模塊 | 增壓器模塊 |
| 型號 | SFL-POWER | SFL-BOOSTER |
| 功能 | 為各模塊提供電源 | |
| 通過USB I/F與外部裝置進行連接 | - | |
| 適用 | 9模塊以下(插槽No.8以下) | 10模塊以上(插槽No.9以上) |
| 設置位置 | 設置在左端(插槽No.0的左側) | 設置在插槽No.8和No.9之間 |
| 消耗電流 | 1.0A以下 | |
| 輸出電壓/電力 | 3.3V DC/15W以下 | |
| 保護 | 內部復式保險絲:1.35A(重新接通電源后復位) | |
| 電源指示燈 | 綠色LED(電源ON時亮起、電源OFF時熄滅) | |
| 附件 | USB保護罩 | - |
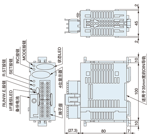
尺寸圖
- 單位mm
SFL-CPU-MON-V2
CPU模塊
|
SFL-CPU-OP-MON-V2
CPU模塊
|
SFL-SUB-MON
主次模塊
|
SFL-S-IN-E
SFL-S-IN-LC
輸入模塊
|
SFL-S-STP-E
SFL-S-STP-LC
SFL-S-STP-ELC
輸入?輸出混合模塊
|
SFL-S-OUT
輸出模塊
|
SFL-RELAY
輸出模塊
|
SFL-NS-IN
非安全輸入模塊
|
SFL-NS-OUT+
非安全輸出模塊
|
SFL-POWER
電源模塊
|
SFL-BOOSTER
增壓器模塊
|
SFL-CC□
RS-485通信用電纜(另售)
|
?長度L
| 型號 | 長度L |
|---|---|
| SFL-CC1 | 1,000 |
| SFL-CC3 | 3,000 |
專用軟件
可通過程序自由構建復雜的安全電路
自由程序模式(MODE3)
可利用基于梯形圖和功能塊的自由程序自由設計安全電路,從而可輕松進行擴展與變更。只需構建最小限度的模塊,就可實現省空間化和高效、經濟的安全電路。
|
通過鼠標操作即可編制的梯形圖程序
可視化的功能塊
|
|
■防止安全程序的人為錯誤
|
■監控安全邏輯
|
■備有通過安全認證的功能塊!
備有光幕傳感器的屏蔽控制等有助于構建高度安全 系統的功能塊(以下稱“FB”)。
FB已組建了邏輯,只需通過梯形圖連接安全設備即可。
|
■功能塊(FB)一覽
|
|



















科恩電氣
科恩眾和