單個光軸輸出型區域傳感器 NB系列 NB-20-24
可進行豐富控制的單個光軸輸出型!!
- 基本信息
- 產品種類
- 詳細規格
- 產品尺寸
- 產品用途
- 可選件
可進行豐富控制的單個光軸輸出型
|
特點
|
可進行豐富控制的單個光軸輸出型區域傳感器
■可辨別物體的大小
|
根據遮光的光軸數,以20mm間距辨別。 |
|
■可檢測物體的通過位置
|
根據遮光的光軸組合,檢測通過位置。 |
|
檢測距離13m
最大可使W13,000×H1,260mm的檢測物體通過、適合各種生產設備流水線使用。
|
保護構造IP67
|
除了檢測距離13m的高性能以外,還實現了保護構造IP67。在干擾光、相互干擾、粉塵、油霧等惡劣環境下也能發揮高可靠性的性能。 |
|
配備便捷功能
■可簡單進行作業前檢查(通道檢查功能)
通過使通道檢查輸入保持0V短路,各光軸的投光可自動從第1光軸依次停止。此時,可確認受光器是否
聯動進入遮光狀態。
■可緊貼安裝(防干擾功能)
防止在接近狀態下使用2套傳感器時發生的相互干擾。請在將2套傳感器用于辨別物體大小或檢測通過
位置等場合使用。
種類
傳感器
傳感器本體不附帶安裝支架、連接電纜。請務必購買另售的連接電纜。
| (注1): |
檢測距離是在投光器和受光器之間可設定的范圍。
|
|---|---|
| (注2): | 產品銘牌上標注"E [|→]EMITTER"的機型是投光器,標注"D [|←]RECEIVER"的機型是受光器。 |
| (注3): | NB-20-8為22mm。 |
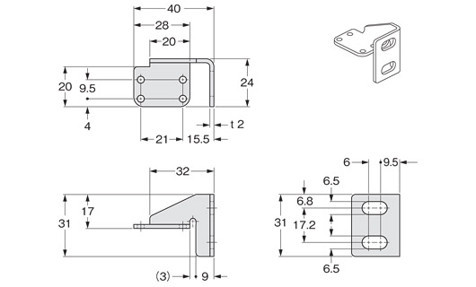
安裝支架
傳感器本體不附帶安裝支架。請務必購買。
|
|
連接電纜
傳感器本體不附帶安裝支架。請務必購買。
控制板
| 形狀 | 型號 | 單個光軸輸出 |
|---|---|---|
|
NB-64CB |
NPN 開路集電極晶體管 |
維護部件(區域傳感器附帶)
| 品名 | 形狀 | 型號 | 內容 |
|---|---|---|---|
| 中間支撐支架(注1) |
|
MS-SF2B-2 |
用于在中間部分固定傳感器。 可安裝在傳感器的背面及側 面。 |
| (注1): |
如下所述,所需套數因產品而異。 1套:NB-20-40/48/56、2套:NB-20-64 |
|---|
中間支撐支架
MS-SF2B-2
|
SF1-F系列的互換安裝支架/互換電纜
| 種類 | 形狀 | 型號 | 內容 | ||
|---|---|---|---|---|---|
|
互 換 安 裝 支 架 |
背面安裝用 |
|
MS-SF2B-4 |
使用傳感器安裝支架MS-SF1-1的SF1-F系列進行調換時使用。 (投光器和受光器用4個1套)) |
|
| 側面安裝用 |
|
MS-SF2B-7 |
側面安裝(直接安裝)的SF1-F系列進行調換時使用。 (投光器和受光器用4個1套) |
||
| 互換電纜 |
|
SF2B-CB05-B |
電纜,長0.5m 本體重量約95g(2根) |
可安裝于傳感器本體,并連接至SF1-F系列的連接電纜SF1-CC□A。 投光器和受光器用2根1套 電纜顏色:投光器用灰色、受光器用灰色(帶黑線) 連接器顏色:投光器用灰色、受光器用黑色 最小彎曲半徑:R6mm |
|
|
|
規格
傳感器
| 光軸數 | 8光軸 | 16光軸 | 24光軸 | 32光軸 | |
| 型號 | NB-20-8 | NB-20-16 | NB-20-24 | NB-20-32 | |
| 適用控制板 | NB-64CB | ||||
| 檢測高度 | 140mm | 300mm | 460mm | 620mm | |
| 檢測距離 | 0.2?13m | ||||
| 光軸間距 | 20mm | ||||
| 檢測物體 | φ27mm以上不透明體(完全遮光物體) | ||||
| 電源電壓 | 24V DC±10% 脈動P-P10%以下 | ||||
| 消耗電流 |
投光器:55mA以下 受光器:60mA以下 |
投光器:70mA以下 受光器:75mA以下 |
|||
| 數據輸出 |
輔助驅動型·電壓輸出 ?輸出形式:串行 ?輸出電壓:High…(電源電壓-2.5V)以上、Low…1.5V以下 ?最大負載電流:100mA |
||||
| 反應時間 | 10ms以下 | ||||
| 通道檢查功能 | 配備 | ||||
| 防干擾功能 | 配備(2臺傳感器可緊貼安裝) | ||||
|
環 境 性 能 |
保護構造 | IP67/IP65(IEC、JIS) | |||
| 使用環境溫度 | -10~+55℃(注意不可結露、結冰),存儲時:-25~+70℃ | ||||
| 使用環境濕度 | 30~85%RH,存儲時:30~95%RH | ||||
| 使用環境照明度 | 白熾燈:受光面照明度3,500lx以下 | ||||
| 耐電壓 | AC1,000V 1分鐘 所有電源連接端子與外殼之間 | ||||
| 絕緣電阻 | 所有電源連接端子與外殼之間,20MΩ以上,基于DC500V的高阻表 | ||||
| 耐振動 | 頻率10~55Hz 雙振幅0.75mm X,Y和Z方向各2小時 | ||||
| 耐沖擊 | 加速度300m/s2(約30G) X,Y和Z方向各3次 | ||||
| 投光元件 | 紅外LED(投光波峰波長:870nm) | ||||
| 電纜延長 | 使用0.5mm2以上的電纜時,投光器和受光器的全長均可延長至30.5m | ||||
| 連接方式 | 連接器連接 | ||||
| 材質 | 本體外殼:鋁,上下端部:鋅壓鑄件,內套:聚碳酸酯、聚酯樹脂,蓋:PBT | ||||
| 重量(包括投光器和受光器) | 本體重量:約170g | 本體重量:約400g | 本體重量:約610g | 本體重量:約830g | |
| 光軸數 | 40光軸 | 48光軸 | 56光軸 | 64光軸 | |
| 型號 | NB-20-40 | NB-20-48 | NB-20-56 | NB-20-64 | |
| 適用控制板 | NB-64CB | ||||
| 檢測高度 | 780mm | 940mm | 1,100mm | 1,260mm | |
| 檢測距離 | 0.2?13m | ||||
| 光軸間距 | 20mm | ||||
| 檢測物體 | φ27mm以上不透明體(完全遮光物體) | ||||
| 電源電壓 | 24V DC±10% 脈動P-P10%以下 | ||||
| 消耗電流 |
投光器:85mA以下 受光器:90mA以下 |
投光器:100mA以下 受光器:105mA以下 |
|||
| 數據輸出 |
輔助驅動型·電壓輸出 ?輸出形式:串行 ?輸出電壓:High…(電源電壓-2.5V)以上、Low…1.5V以下 ?最大負載電流:100mA |
||||
| 反應時間 | 10ms以下 | ||||
| 通道檢查功能 | 配備 | ||||
| 防干擾功能 | 配備(2臺傳感器可緊貼安裝) | ||||
|
環 境 性 能 |
保護構造 | IP67/IP65(IEC、JIS) | |||
| 使用環境溫度 | -10~+55℃(注意不可結露、結冰),存儲時:-25~+70℃ | ||||
| 使用環境濕度 | 30~85%RH,存儲時:30~95%RH | ||||
| 使用環境照明度 | 白熾燈:受光面照明度3,500lx以下 | ||||
| 耐電壓 | AC1,000V 1分鐘 所有電源連接端子與外殼之間 | ||||
| 絕緣電阻 | 所有電源連接端子與外殼之間,20MΩ以上,基于DC500V的高阻表 | ||||
| 耐振動 | 頻率10~55Hz 雙振幅0.75mm X,Y和Z方向各2小時 | ||||
| 耐沖擊 | 加速度300m/s2(約30G) X,Y和Z方向各3次 | ||||
| 投光元件 | 紅外LED(投光波峰波長:870nm) | ||||
| 電纜延長 | 使用0.5mm2以上的電纜時,投光器和受光器的全長均可延長至30.5m | ||||
| 連接方式 | 連接器連接 | ||||
| 材質 | 本體外殼:鋁,上下端部:鋅壓鑄件,內套:聚碳酸酯、聚酯樹脂,蓋:PBT | ||||
| 重量(包括投光器和受光器) | 本體重量:約1,000g | 本體重量:約1,300g | 本體重量:約1,500g | 本體重量:約1,700g | |
| 附件 | MS-SF2B-2(中間支撐支架):(注2) | ||||
(注1):無指定時的測量條件為使用環境溫度=+23℃。
(注3): 下列傳感器附帶中間支撐支架MS-SFB-2。如下所述,附帶的個數因產品而異。
1套:NB-20-40/48/56、2套:NB-20-64
控制板
| 型號 | NB-64CB | |
| 適用傳感器 | NB系列 | |
| 電源電壓 | 24V DC±10% 脈動P-P10%以下、啟動時間500ms以下 | |
| 消耗電流 | 300mA以下(含傳感器) | |
| 按光軸輸出 |
NPN開路集電極晶體管 ?最大流入電流:50mA ?外加電壓:30V DC以下(按光軸輸出和0V之間) ?剩余電壓:1.1V以下(流入電流為50mA時) |
|
| 通道數 | 64通道 | |
| 輸出動作 | 入光時ON(注2) | |
| 連接器 |
2.54mm間距扁平電纜用連接器針座40針×2 MIL-C-83503標準符合品(注3) |
|
| 反應時間 | 20ms以下(包括傳感器的反應時間) | |
|
輸入 (外部、防干擾/通道檢查) |
輸入電壓:30V DC以下 輸入阻抗:約5kΩ |
|
| 指示燈 |
電源指示燈:紅色LED(通電時亮起) 傳感器工作狀態指示燈:綠色LED(傳感器正常動作時亮起) 輸出指示燈:紅色LED×64(各光軸輸出ON時亮起) |
|
|
環 境 性 能 |
使用環境溫度 | -10~+55℃(注意不可結露、結冰),存儲時:-10~+70℃ |
| 使用環境濕度 | 35~85%RH,存儲時:35~85%RH | |
| 耐振動 | 頻率10~55Hz 雙振幅0.75mm X,Y和Z方向各2小時 | |
| 耐沖擊 | 頻率100m/s2(約10G) X,Y和Z方向各3次 | |
| 重量 | 本體重量:約200g | |
(注1): 無指定時的測量條件為使用環境溫度=+23℃。
(注2): 超出傳感器光軸數的通道的輸出全部為“OFF”。
(注3): 與單個光軸輸出型連接的連接器及帶連接器的電纜請另行購買。
·可連接的連接器: HIF3BA-40D-2.54R[廣瀨電機(株)制]或類似產品
·帶可連接的連接器的電纜: AYT5140□(40針連接器-40針連接器)[松下電工(株)制]
AYT5840□(40針連接器-40芯散線)[松下電工(株)制]或類似產品
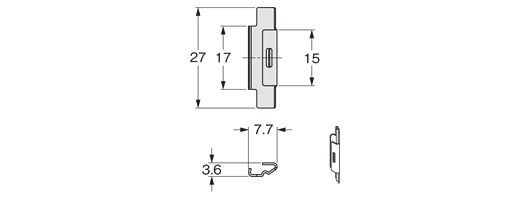
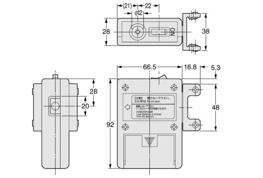
尺寸圖
- 單位mm
NB-20-□
傳感器
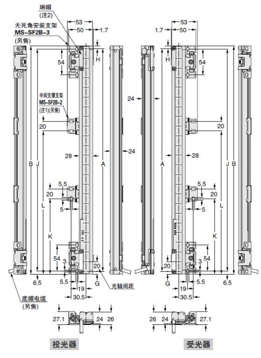
安裝支架安裝圖
下圖所示為安裝了標準安裝支架MS-SF2B-1(另售)與中間支撐支架MS-SF2B-2后的狀態。
<背面安裝>
|
|
|
NB-20-□
傳感器
安裝支架安裝圖
下圖所示為安裝了無死角安裝支架MS-SF2B-3(另售)與中間支撐支架MS-SF2B-2后的狀態。
<背面安裝>
|
|
|
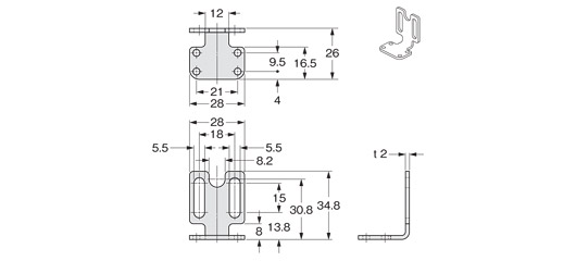
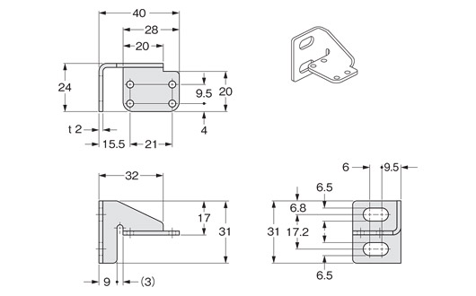
MS-SF2B-1
標準安裝支架(另售)
|
|
MS-SF2B-2
中間支撐支架(傳感器附帶)
<背面安裝用>
|
|
|
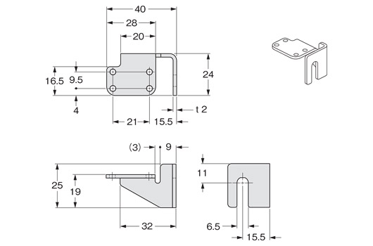
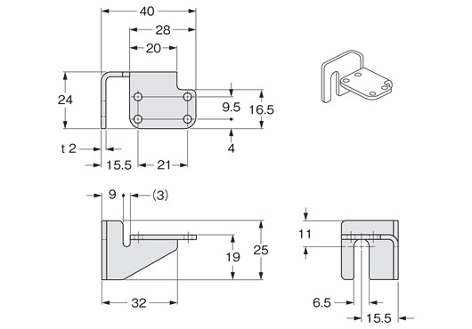
MS-SF2B-4
SF1-F用互換安裝支架(另售)
|
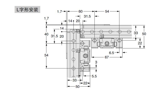
MS-SF2B-3
無死角安裝支架(另售)
|
|
|
|
MS-SF2B-7
SF1-N用互換安裝支架(另售)
<右側面上部安裝用>
|
|
|
|
NB-64CB
控制板
|
NB-CCB□
底帽電纜(另售)
|
SF2B-CB05-B
SF1-F用互換電纜(另售)
|
SF-LAT-2B
光軸調整器(另售)
|
可選件
正面保護罩
| 適用光軸數 | 正面保護罩 | |
|---|---|---|
| 型號 | ||
| 8 | FC-SF2BH-8 | |
| 16 | FC-SF2BH-16 | |
| 24 | FC-SF2BH-24 | |
| 32 | FC-SF2BH-32 | |
| 40 | FC-SF2BH-40 | |
| 48 | FC-SF2BH-48 | |
| 56 | FC-SF2BH-56 | |
| 64 | FC-SF2BH-64 | |
| (注1): |
以上型號是指單件,而非套件。 安裝在投光器和受光器上時需要2個。 |
|---|
FC-SF2BH-□
保護傳感器的檢測面不受飛濺物和油、水等飛散物的損傷。使用正面保護罩會使檢測距離縮短。詳情請咨詢。
|
[檢測距離]
| 檢測距離(有效距離) | |
|---|---|
| 僅安裝投光器 | 0.2~11.5m |
| 僅安裝受光器 | 0.2~11.5m |
| 兩側安裝投光器和受光器 | 0.2~10.0m |
| (注1): | 檢測距離是在投光器和受光器之間可設定的范圍。檢測物體的檢測距離也可為0.2m以下。 |
|---|
光軸調整器
| 品名 | 形狀 | 型號 | 內容 |
|---|---|---|---|
| 光軸調整器 |
|
SF-LAT-2B |
通過易于辨識的激光,光軸對齊很容易。 [主要規格] ?電池:1.5V(5號堿性干電池)×2節(可更換) ?電池壽命:連続約30時間 ?光源:紅色半導體激光 2級(JIS/IEC/FDA) (最大輸出:1mW、投光波峰波長:650nm)(注1) ?使用環境溫度:0~+40℃(注意不可結露) ?材質:ABS(本體外殼)、鋁(安裝部) ?本體重量:約200g(包括干電池) ?附件:5號堿性干電池2節 |
| (注1): | 依據第50號激光通告(2001.7.26),以FDA標準(21 CFR 1040.10)為準。 |
|---|
SF-LAT-2B
|



















科恩電氣
科恩眾和