薄型?自動靈敏度設定光電傳感器[放大器分離] SU-7/SH
簡單、合適的緊湊設計
- 基本信息
- 產品種類
- 詳細規格
- 產品尺寸
- 產品用途
- 可選件
特點
簡單的自動靈敏度設定
|
只須按下2個按鈕便可設置出最佳靈敏度。 |
|
快速接線
|
扳動一下固定桿便可將檢測頭電纜連接至SU-7放大器。不用再剝去芯線的外殼。而且,如果使用專用剝線器(附件)能很容易地剝去傳感器電纜外殼。 |
|
放大器厚度僅為10mm
|
SU-7放大器僅為10mm厚,大大節省了安裝空間。(W10×H31.5×D67mm) |
|
用于多方面檢測的9項高級功能
|
1.限定靈敏度設定功能 [所有機型] |
行聚焦傳感器 [SH-84R]
|
?最適合檢測印刷字符 |
|
玻璃電路板檢測傳感器/SH-72
|
?可穩定檢測玻璃電路板 |
|
綠色LED小光點型 [SH-82G]
|
?紅色/白色辨別 |
|
耐藥品型 [SH-61R]
|
?耐藥品能力強 |
|
紅色LED小光點型 [SH-82R]
|
?最適合微小物體的檢測 |
|
超薄型 [SH-2□]
|
?體積最小 0.3cm3 |
|
超小型 [SH-3□]
|
?帶指示燈的檢測頭 |
|
種類
檢測頭
|
放大器
|
連接器型
與傳感器和省配線連接系統S-LINK、簡易配線的傳感器座和帶連接器的電纜配合使用。
|
|
|
|||||||||
配件(另售)
|
|
|
規格
檢測頭
| 種類 | 超薄型超 | |||
| 透過型 |
擴散 反射型 |
|||
| 正面檢測 | 側面檢測 | |||
| 型號 | SH-21 | SH-21E | SH-22 | |
|
適用 放大器 |
SU-7系列 | |||
| 檢測距離 | 300mm |
50mm (注2) |
||
| 檢測物體 |
最小檢測物體 φ0.3mm不透明體 (最佳狀態下) (注3) |
最小檢測物體 φ0.3mm銅線 (設定距離:3mm和最大靈敏度時) |
||
| 應差(滯后) | - |
動作距離的15%以下 (注2) |
||
|
重復精度 (垂直于檢測軸) |
0.03mm以下 | 0.15mm以下 | ||
| 工作狀態指示燈 | - | |||
|
環 境 性 能 |
保護構造 | IP62(IEC)、防滴形(JIS) | ||
|
使用環境 溫度 |
-10?+60℃(注意不可結露、結冰) 存儲時:-20?+70℃ |
|||
|
使用環境 濕度 |
35?85%RH、存儲時:35?85%RH | |||
|
使用環境 照明度 |
白熾燈:受光面照明度3,500lx以下 | |||
| 耐振動 | 頻率10?55Hz 雙振幅1.5mm X,Y和Z方向各2小時 | |||
| 耐沖擊 | 加速度500m/s2(約50G) X,Y和Z方向各3次 | |||
| 投光元件 | 紅外線LED(調制式) | |||
|
發光波峰 波長 |
880nm | |||
| 材質 | 外殼:聚芳酯(加入玻璃纖維) | |||
| 電纜 | 0.089mm2(超薄型:0.057mm2)單芯(擴散反射型:2根平行單芯線)屏蔽電纜,長3m | |||
| 電纜延長 | 用同等的電纜全長可延長至5m(超小型:10m)(透過型:投光器和受光器各1根) | |||
| 重量 |
本體重量: 投?受光器各約12g |
本體重量: 約24g |
||
| 附件 | 檢測頭安裝螺絲:2套(SH-22:1套) | |||
(注1):無指定時的測量條件為使用環境溫度=+23℃。
(注2):擴散反射型傳感器的檢測距離與應差是相對于白色無光澤紙(50×50mm)的數值。
(注3):最佳狀態是指在受光狀態下的一定距離,調節靈敏度至工作狀態指示燈剛好亮起時的狀態。
| 種類 | 超小型 | ||||
| 透過型 |
擴散 反射型 |
||||
| 紅色LED | 綠色LED | 紅色LED | |||
| 型號 | SH-31R | SH-31G | SH-33R | SH-32R | |
|
適用 放大器 |
SU-7系列 | ||||
| 檢測距離 | 1m | 100mm | 2m |
100mm (注2) |
|
| 檢測物體 | |||||
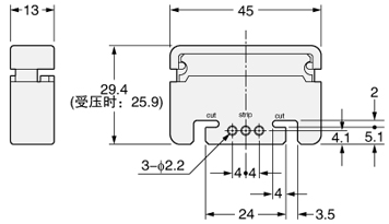
尺寸圖
- 單位mm
SU-7□
附帶放大器安裝支架的安裝圖
|
MS-DIN-2
放大器安裝支架(放大器附帶)
|
SH-21
檢測頭
投光器
|
SH-21E
檢測頭
|
SH-22
檢測頭
|
SH-31R SH-31G
SH-33R
檢測頭
|
SH-32R
檢測頭
|
SH-82R SH-82G SH-84R
檢測頭
|
SH-72
檢測頭
|
SH-61R
檢測頭
|
SU-CT1
剝線器(放大器附帶)
|
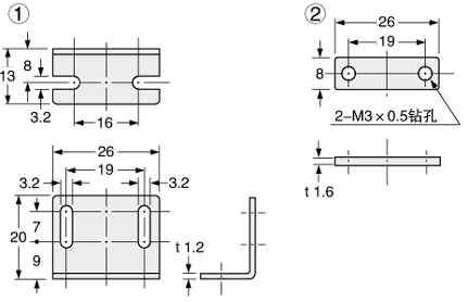
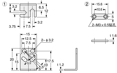
MS-DS-1
檢測頭安裝支架(另售)
|
MS-SS3-1
檢測頭安裝支架(另售)
|
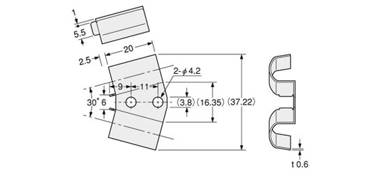
MS-SH6-1
檢測頭安裝支架(SH-61R附帶)
|
MS-SH6-2
檢測頭安裝支架(另售)
|
用途
|
|
|
|
|
|
可選件
|
|
|
檢測頭安裝支架
|
|
|




















科恩電氣
科恩眾和