超薄型光電傳感器 [放大器內置] EX-10 Ver.2系列 EX-14A(EX-14B)
放大器內置 超小超薄型
- 基本信息
- 產品種類
- 詳細規格
- 產品尺寸
- 產品用途
- 可選件


放大器內置 超小超薄型
|
※1
|
※2
|
※3
|
| ※1 | 符合EMC指令(EX-15□/17□除外) |
|---|---|
| ※2 | Recognition認證 |
| ※3 | 認證通過(僅一部分型號) |
追加新產品 透過型側面檢測型 EX-19E□。
特點
■版本升級的介紹
從2010年10月生產的部分起,版本變更為2.0。
厚度3.5mm
|
W10×H14.5×D3.5mm(透過型,正面檢測型)。 |
|
可靈活安裝
|
擴散反射型傳感器是正面檢測,由于薄,看上去可被直接粘合在安裝基座上,透過型傳感器可同時進行正面檢測和側面檢測,并可靈活安裝。 |
|
省電※
|
EX-10系列與以往產品相比,最多可減少約35%的耗電量。可有效促進環保。 ※從2010年10月生產的部分起變更。
|
|
高速反應0.5ms
|
適合檢測小型零件和高速移動的物體。 |
|
清晰易見的雙色指示燈
|
小型體積,并裝備有方便的雙色指示燈。 |
|
紅色光線使對光容易
從投光器中發射出的紅色LED光線,易于對齊檢測頭。
配備防變頻光的電路※
|
應對變頻光等干擾光的能力顯著增強。 ※從2010年10月生產的部分起變更。
|
|
保護構造IP67
其保護構造達到IP67,即使在沾水的生產線上也可放心使用。另外,備有不易生銹的不銹鋼制傳感器安裝支架。
注意:檢測中沾水時,有時會檢測水滴。
備有帶動作切換開關的型號[EX-15□/17□]
|
備有在透過型傳感器的分叉器上配備動作切換開關的型號(動作切換開關中繼式)。可有效應用于動作確認。 |
|
耐彎曲性提高 [EX-□-R]
備有耐彎曲性與以往型號相比大幅提高的耐彎曲電纜型。最適用于機器人手臂等的可動部。
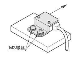
可用M3螺絲安裝
備有防腐蝕不銹鋼安裝支架。
|
MS-EX10-1[冷軋碳鋼(SPCC)]和MS-EX10-11[不銹鋼(SUS304)](正面檢測型傳感器的安裝支架) |
|
|
MS-EX10-2(SPCC)、MS-EX10-12(SUS304) |
|
|
MS-EX10-3(SPCC)、MS-EX10-13(SUS304) |
|
最小檢測物體φ1mm[EX-11(E)□、EX-15(E)□]
|
EX-11□ ,EX-11E□ ,EX-15和EX-15E都裝有φ 1mm狹縫透光罩,可檢測φ 1mm以上的物體。因此,適合于精確定位或小部件檢測。 |
|
背景限制[EX-14□]
|
?不受背景影響 |
|
|
?可檢測黑色物體 |
|
長檢測距離1m[EX-19□]
|
僅3.5mm的厚度可達到1m的檢測距離,可用來檢測更寬的IC盤。 |
|
省資源※
|
考慮環保因素,采用簡單包裝,從而減少了垃圾。另外,包裝袋采用聚乙烯材質,焚燒后也不會產生有害氣體。 ※從2010年10月生產的部分起變更。
|
|
種類
| 種類 | 形狀 | 檢測距離 |
型號 (注2) |
輸出動作 | 輸出 | |||
|---|---|---|---|---|---|---|---|---|
|
N P N 輸 出 型 |
透 過 型 |
正 面 檢 測 |
|
150mm | EX-11A | 入光時ON |
NPN開路集電極 晶體管 |
|
| EX-11B | 遮光時ON | |||||||
| 500mm | EX-13A | 入光時ON | ||||||
| EX-13B | 遮光時ON | |||||||
| 1m | EX-19A | 入光時ON | ||||||
| EX-19B | 遮光時ON | |||||||
|
動作 切換 開關 中繼式 |
150mm | EX-15 | 通過切換開關選擇入光時ON或遮光時ON | |||||
| 500mm | EX-17 | |||||||
| 側面檢測 |
|
150mm | EX-11EA | 入光時ON | ||||
| EX-11EB | 遮光時ON | |||||||
| 500mm | EX-13EA | 入光時ON | ||||||
| EX-13EB | 遮光時ON | |||||||
| 1m |
![]() EX-19EA |
入光時ON | ||||||
![]() EX-19EB |
遮光時ON | |||||||
|
動作 切換 開關 中繼式 |
150mm | EX-15E | 通過切換開關選擇入光時ON或遮光時ON | |||||
| 500mm | EX-17E | |||||||
|
限 定 反 射 型 ? 擴 散 光 型 |
正 面 檢 測 |
|
2~25mm (注1) (中心10mm) |
EX-14A | 入光時ON | |||
| EX-14B | 遮光時ON | |||||||
|
P N P 輸 出 型 |
透 過 型 |
正 面 檢 測 |
|
150mm | EX-11A-PN | 入光時ON |
PNP開路集電極 晶體管 |
|
| EX-11B-PN | 遮光時ON | |||||||
| 500mm | EX-13A-PN | 入光時ON | ||||||
| EX-13B-PN | 遮光時ON | |||||||
| 1m | EX-19A-PN | 入光時ON | ||||||
| EX-19B-PN | 遮光時ON | |||||||
|
側 面 檢 測 |
|
150mm | EX-11EA-PN | 入光時ON | ||||
| EX-11EB-PN | 遮光時ON | |||||||
| 500mm | EX-13EA-PN | 入光時ON | ||||||
| EX-13EB-PN | 遮光時ON | |||||||
| 1m |
![]() EX-19EA-PN |
入光時ON | ||||||
![]() EX-19EB-PN |
遮光時ON | |||||||
|
限 定 反 射 型 ? 擴 散 光 型 |
正 面 檢 測 |
|
2~25mm (注1) (中心10mm) |
EX-14A-PN | 入光時ON | |||
| EX-14B-PN | 遮光時ON | |||||||
| 注意 | : | 由于需根據不同的安裝方法選擇不同的安裝支架,因此傳感器本體不附帶安裝支架。請購買另售的傳感器安裝支架(6 個機型)。 |
|---|
| (注1): | 距離為100mm以上時,即使是鏡面狀物體也檢測不到。(代表示例:鏡面狀物正對傳感器。球狀或彎曲背景可能被檢測到,敬請注意。) |
|---|---|
| (注2): |
透過型的銘牌上所標記的型號帶“P”符號的機型為投光器,帶“D”符號的機型為受光器。 (例)EX-11A的投光器:EX-11P、EX-11A的受光器:EX-11AD |
耐彎曲電纜型
NPN輸出型中備有耐彎曲電纜型。(動作切換開關中繼式EX-15□/17□除外)
請在型號末尾加注“-R”進行訂購。
(例)EX-11A的耐彎曲電纜型為“EX-11A-R”
5m電纜長度型
NPN輸出型中備有5m電纜長度型(標準長度為2m)。(耐彎曲電纜型除外)
請在型號末尾加注“-C5”進行訂購。
(例)EX-11A的5m電纜長度型為“EX-11A-C5”
| 標準型 | 電纜長5m型 |
|---|---|
| EX-11A | EX-11A-C5 |
| EX-11B | EX-11B-C5 |
| EX-13A | EX-13A-C5 |
| EX-13B | EX-13B-C5 |
| EX-19A | EX-19A-C5 |
| EX-19B | EX-19B-C5 |
| EX-15 | EX-15-C5 |
| EX-17 | EX-17-C5 |
| EX-11EA | EX-11EA-C5 |
| EX-11EB | EX-11EB-C5 |
| EX-13EA | EX-13EA-C5 |
| EX-13EB | EX-13EB-C5 |
| EX-19EA |
![]() EX-19EA-C5 |
| EX-19EB |
![]() EX-19EB-C5 |
| EX-15E | EX-15E-C5 |
| EX-17E | EX-17E-C5 |
| EX-14A | EX-14A-C5 |
| EX-14B | EX-14B-C5 |
規格
| 種類 | 透過型 | ||||||
| 正面檢測 | 側面檢測 | 正面檢測 | 側面檢測 | 正面檢測 | 正面檢測 | ||
|
型 號 (注2) |
入光時ON |
EX- 11A (-PN) |
EX- 11EA (-PN) |
EX- 13A (-PN) |
EX- 13EA (-PN) |
EX- 19A (-PN) |
EX- 19AE (-PN) |
| 非入光時ON |
EX- 11B (-PN) |
EX- 11EB (-PN) |
EX- 13B (-PN) |
EX- 13EB (-PN) |
EX- 19B (-PN) |
EX- 19BEB (-PN) |
|
| 檢測距離 | 150mm | 500mm | 1m | ||||
|
最小檢測 物體 |
φ1mm不透明體 (完全遮光物體) (投光器和受光器之間的設定 距離 150mm) |
φ2mm不透明體 (完全遮光物體) (投光器和受光器之間的設定 距離 500mm) |
φ2mm不透明體 (完全遮光物體) (投光器和受光器之間的設定 距離 1m) |
||||
| 應差 | - | ||||||
| 重復精度(垂直于檢測軸) | 0.05mm以下 | ||||||
| 電源電壓 | 12?24V DC±10% 脈動P-P10%以下 | ||||||
| 消耗電流 | 投光器:10mA以下、受光器:10mA以下 | ||||||
| 輸出 |
NPN開路集電極晶體管 ?最大流入電流:50mA ?外加電壓:30V DC以下(輸出和0V之間) ?剩余電壓:2V以下(流入電流50mA) 1V以下(流入電流16mA) PNP開路集電極晶體管 ?最大流入電流:50mA ?外加電壓:30V DC以下(輸出和+V之間) ?剩余電壓:2V以下(流出電流50mA) 1V以下(流出電流16mA) |
||||||
|
短路 保護 |
配備 | ||||||
| 反應時間 | 0.5ms以下 | ||||||
| 工作狀態指示燈 | 橙色LED(輸出ON時亮起) | ||||||
| 入光指示燈 | - | ||||||
| 穩定指示燈 |
綠色LED (穩定入光時、穩定非入光時亮起) |
||||||
|
環 境 性 能 |
保護構造 | IP67(IEC)、防滲漏型(JIS) | |||||
| 使用環境溫度 |
-25?+55℃(注意不可結露、結冰) 保存時:-30?+70℃ |
||||||
| 使用環境濕度 | 35?85%RH、保存時:35?85%RH | ||||||
| 使用環境照度 | 白熾燈:受光面照明度3,000R以下 | ||||||
| 耐電壓 | AC1,000V 1分鐘 所有電源連接端子與外殼之間 | ||||||
| 絕緣電阻 | 所有電源連接端子與外殼之間,20MΩ以上,基于DC250V的高阻表 | ||||||
| 耐振動 | 頻率10~500Hz 雙振幅3mm(MAX.20G) X,Y和Z方向各2小時 | ||||||
| 耐沖擊 | 加速度 500m/s2(約50G) XYZ各方向3次 | ||||||
| 投光元件 | 紅色LED(投光波峰波長:680nm、調制式) | ||||||
| 材質 | 外殼:聚芳酯,透鏡:聚芳酯 | ||||||
|
電纜 (注3) |
0.1mm2 3芯(透過型投光器:2芯)橡皮電纜,長2m | ||||||
| 電纜延長 | 0.3mm2 以上的電纜全長可延長至50m(透過型:投光器和受光器各1根) | ||||||
| 重量 | 本體重量:投光器和受光器各約20g,包裝重量:約50g | ||||||
| 附件 | 安裝螺絲:1套 | ||||||
(注1):無指定時的測量條件為使用環境溫度=+23℃。
(注2):型號末尾加注“-PN”的機型為PNP輸出型。
(注3):耐彎曲電纜型(型號末尾加注“-R”的機型)附帶0.1mm23芯(透過型投光器:2芯)耐彎曲性橡皮電纜,長2m。
| 種類 |
限定 反射型 (擴散光型) |
透過型· 動作切換開關中繼式 |
||||
| 正面檢測 | 正面檢測 | 側面檢測 | 正面檢測 | 側面檢測 | ||
|
型 號(注2) |
入光時ON |
EX- 14A (-PN) |
EX- 15 (注3) |
EX- 15E (注3) |
EX- 17 (注3) |
EX- 17E (注3) |
| 非入光時ON |
EX- 14B (-PN) |
|||||
| 檢測距離 |
2?25mm(注4) (中心10mm) |
150mm | 500mm | |||
|
最小檢測 物體 |
φ0.1mm銅線 (設定距離10mm) |
φ1mm不透明體 (完全遮光物體) (投光器和受光器之間的設定距離 150mm) |
φ2mm不透明體 (完全遮光物體) (投光器和受光器之間的設定距離 500mm) |
|||
| 應差 |
動作距離 15%以下(注4) |
- | ||||
| 重復精度(垂直于檢測軸) | 0.1mm以下 | 0.05mm以下 | ||||
| 電源電壓 | 12?24V DC±10% 脈沖P-P10%以下 | |||||
| 消耗電流 | 13mA以下 | 25mA以下 | ||||
| 輸出 |
NPN開路集電極晶體管 ?最大流入電流:50mA ?外加電壓:30V DC以下(輸出和0V之間) ?剩余電壓:2V以下(流入電流50mA) 1V以下(流入電流16mA) PNP開路集電極晶體管 ?最大流入電流:50mA ?外加電壓:30V DC以下(輸出和+V之間) ?剩余電壓:2V以下(流出電流50mA) 1V以下(流出電流16mA) |
NPN開路集電極晶體管 ?最大流入電流:100mA ?外加電壓:30V DC以下 (輸出和0V之間) ?剩余電壓:2V以下(流入電流100mA) 1V以下(流入電流16mA) |
||||
|
短路 保護 |
配備 | |||||
| 反應時間 | 0.5ms以下 | |||||
| 工作狀態指示燈 | 橙色LED(輸出ON時亮起) |
橙色LED(輸出ON時亮起) 位于分叉器上 |
||||
| 入光指示燈 | - |
紅色LED(入光時亮起) 位于傳感器部(受光器) |
||||
| 穩定指示燈 |
綠色LED (穩定入光時、穩定非入光時亮起) |
綠色LED (穩定入光時、穩定遮光時亮起) 位于傳感器部(受光器) |
||||
|
環 境 性 能 |
保護構造 | IP67(IEC)、防滲漏型(JIS) | ||||
| 使用環境溫度 |
-25?+55℃(注意不可結露、結冰)) 保存時:-30?+70℃ |
|||||
| 使用環境濕度 | 35?85%RH、保存時:35?85%RH | |||||
| 使用環境照度 | 白熾燈:受光面照明度3,000R以下 | |||||
| 耐電壓 | AC1,000V 1分鐘 所有電源連接端子與外殼之間 | |||||
| 絕緣電阻 | 所有電源連接端子與外殼之間,20MΩ以上,基于DC250V的高阻表 | |||||
| 耐振動 | 頻率10~500Hz 雙振幅3mm(MAX.20G) X,Y和Z方向各2小時 | |||||
| 耐沖擊 | 耐久500m/s2(約50G) XYZ各方向3回 | |||||
| 投光元件 | 紅色LED(投光波峰波長:680nm、調制式) | |||||
| 材質 | 外殼:聚芳酯,透鏡:聚芳酯 |
外殼:聚芳酯, 透鏡:聚芳酯 分叉器:聚芳酯 |
||||
|
電纜 (注5) |
0.1mm2 3芯(透過型投光器:2芯)橡皮電纜,長2m |
0.2mm2 3芯橡皮電纜,長2m (不包括分叉器)(傳感器和分叉器之間為0.5m) |
||||
| 電纜延長 | 0.3mm2 以上的電纜全長可延長至50m(透過型:投光器和受光器各1根) | 0.3mm2 0.3mm2以上的電纜全長可延長至100m | ||||
| 重量 |
本體重量: 約20g 包裝重量: 約40g |
本體重量:各約55g、 包裝重量:約80g |
||||
| 附件 |
安裝螺絲: 1套 |
安裝螺絲:1套、 調整螺絲刀:1個 |
||||
(注1):無指定時的測量條件為使用環境溫度=+23℃。
(注2):型號末尾加注“-PN”的機型為PNP輸出型。
(注3):可通過切換開關選擇入光時ON或遮光時ON。
(注4):限定反射型傳感器的檢測距離與應差是相對于白色無光澤紙(50×50mm)的數值。
(注5):耐彎曲電纜型(型號末尾加注“-R”的機型)附帶0.1mm23芯(透過型投光器:2芯)耐彎曲性橡皮電纜,長2m。
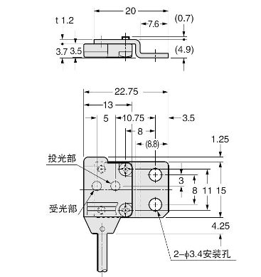
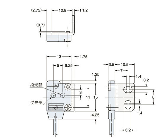
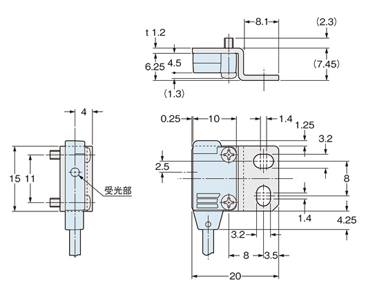
尺寸圖
- 單位mm
EX-11A□ EX-11B□ EX-13A□
EX-13B□ EX-19A□ EX-19B□
傳感器
|
|
EX-11EA□ EX-11EB□
EX-13EA□ EX-13EB□
EX-19EA□ EX-19EB□
傳感器
|
|
EX-15
EX-17
傳感器
|
EX-15E
EX-17E
|
EX-14A□
EX-14B□
|
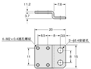
MS-EX10-1
|
|
MS-EX10-2
傳感器安裝支架(另售)
|
|
MS-EX10-13
|
|
MS-EX10-11
|
|
MS-EX10-12
|
|
MS-EX10-13
|
|
用途
|
|
|
|
|
|
可選件
|
傳感器安裝支架
|
|
|
|||||||||
|
|
|
|||||||||
狹縫透光罩
|
|
|
|||||||||
傳感器檢查器
|






















科恩電氣
科恩眾和