數字式色標傳感器[放大器內置] LX-100系列 LX-101(LX-101-P)
3色LED色標傳感器
編 號:1013601301
型 號:LX-101(LX-101-P)
品 牌:Panasonic(松下電工)
貨 期:現貨
服 務:由科恩電氣發貨并提供售后服務
瀏 覽:次
- 基本信息
- 產品種類
- 詳細規格
- 產品尺寸
- 產品用途
- 可選件


3色LED色標傳感器
|
※1
|
※2
|
| ※1 | EMC指定適用 |
|---|---|
| ※2 | Recognition |
特點
能滿足多方面的色標檢測需求!
|
最佳LED自動選擇功能
|
兩種檢測模式,可根據用途進行選擇。
|
|
高精度色標顏色辨別
|
通過數字顯示即可簡單設定!可對設定內容進行數字管理
|
初學者也能立即掌握的MODE NAVI
通過6個指示燈顯示傳感器基本操作項目的MODE NAVI。一眼即可辨認出當前所設定的是何種操作模式。 操作極為簡單。
|
檢測狀態可進行數字管理
|
通過直接代碼設定內容一目了然
|
通過4位直接代碼顯示LX-100的設定內容。若使用直接代碼,就能簡單確認設定內容,從而通過電話即可掌握目前的狀態。 |
|
教導極其簡單
|
|
?其他的教導方法
全自動教導: 色標模式下,連續移動工件進行教 導。
1點教導: 彩色模式下,將檢測顏色對準光點進行 教導。
小型設計,省空間
|
將高精度、多功能凝縮于W57×D24×H38mm的緊湊機身中。根據使用設備可選擇電纜型和連接器型2種。也可輕松用于現有設備中。 |
|
按鈕鎖定功能
若使用按鈕鎖定功能,為了使傳感器設定項目不被錯誤更改,該功能能夠限制輸入操作。并且它也可以進行只允許基準值調整的“RUN調節”,只允許教導操作的“RUN教導”之類的細微設定。在設定了“RUN調節”和“RUN教導”時,調節和教導可如在RUN模式中一樣進行。
種類
傳感器
連接器型傳感器不附帶匹配電纜。請務必另行訂購連接器型用連接電纜。
| 種類 | 形狀 | 型號 | 輸出 | 檢測距離 |
|---|---|---|---|---|
| 電纜型 |
|
LX-101 | NPN開路集電極晶體管 | 10±3mm |
| LX-101-P | PNP開路集電極晶體管 | |||
| 連接器型 |
|
LX-101-Z | NPN開路集電極晶體管 | |
| LX-101-P-Z | PNP開路集電極晶體管 |
連接器型用連接電纜
連接器型傳感器不附帶匹配電纜。請務必另行訂購連接器型用連接電纜。
| 種類 | 型號 | 內容 | |
|---|---|---|---|
| 直線型 | CN-24B-C2 | 長2m |
截面積為0.34mm2 的4芯片單側帶連接器橡皮電纜 電纜外徑:?5mm |
| CN-24B-C5 | 長5m | ||
| L型 | CN-24BL-C2 | 長2m | |
| CN-24BL-C5 | 長5m | ||
連接器型用連接電纜
|
|
規格
| 種類 | 電纜型 | 連接器型 | |
|
型 號 |
NPN輸出 | LX-101 | LX-101-Z |
| PNP輸出 | LX-101-P | LX-101-P-Z | |
| 檢測距離 | 10±3mm | ||
| 光點尺寸 | 1×5mm(設定距離:10mm) | ||
| 電源電壓 | 12~24V DC±10% 脈動P-P10%以下 | ||
| 消耗電量 |
通常工作時:750mW以下(電源電壓24V時,消耗電流30mA以下) ECO模式下:600mW以下(電源電壓24V時,消耗電流25mA以下) |
||
| 輸出1 |
NPN開路集電極晶體管 ?最大流入電流:50mA ?外加電壓:30V DC以下(輸出和0V之間) ?剩余電壓:1.5V以下(流入電流為50mA時) PNP開路集電極晶體管 ?外加電壓:30V DC以下(輸出和+V之間) ?剩余電壓:1.5V以下(源電流為50mA時) |
NPN開路集電極晶體管 ?最大流入電流:100mA ?外加電壓:30V DC以下(輸出和0V之間) ?剩余電壓:1.5V以下(流入電流為100mA時) PNP開路集電極晶體管 ?外加電壓:30V DC以下(輸出和+V之間) ?剩余電壓:1.5V以下(源電流為100mA時) |
|
| 短路保護 | 裝備(自動復位式) | ||
| 輸出動作 |
色標模式時:入光時ON/非入光時ON(教導時自動設定) 彩色模式時:一致時ON/不一致時ON(教導時設定) |
||
| 輸出2 |
NPN開路集電極晶體管 ?最大流入電流:50mA ?外加電壓:30V DC以下(輸出和0V之間) ?剩余電壓:1.5V以下(流入電流為50mA時) PNP開路集電極晶體管 ?最大源電流:50mA ?外加電壓:30V DC以下(輸出和+V之間) ?剩余電壓:1.5V以下(源電流為50mA時) |
- | |
| 短路保護 | 裝備(自動復位式) | - | |
| 輸出動作 | 輸出1的反轉工作 | - | |
| 反應時間 | 色標模式時:45μs以下,彩色模式時:150μs以下 | ||
| 教導輸入 |
NPN無觸點輸入 ?信號條件:High…+5V~+V或斷開,Low…0~+2V(源電流0.5mA以下) ?輸入阻抗:約10kΩ PNP無觸點輸入 ?信號條件:High…+4V~+V(流入電流3mA以下),Low…0~+0.6V或斷開 ?輸入阻抗:約10kΩ |
||
| 數字顯示 | 4位紅色LED顯示 | ||
| 靈敏度設定方法 | 色標模式時:2點教導/全自動教導,彩色模式時:1點教導 | ||
| 設定靈敏度微調功能 | 配備 | ||
| 定時器功能 | 裝備可變接通延遲/斷開延遲定時器,有效/無效轉換式(定時時間:1~500ms 9個階段可變) | ||
|
環 境 性 能 |
保護構造 | IP67(IEC)、防滲漏型(JIS) | |
| 使用環境溫度 | -10~+55℃(注意不可結露、結冰),存儲時:-20~+70℃ | ||
| 使用環境濕度 | 35~85%RH,存儲時:35~85%RH | ||
| 使用環境照明度 | 白熾燈:受光面照明度3,000lx以下 | ||
| 耐電壓 | AC1,000V 1分鐘 所有電源連接端子與外殼之間 | ||
| 耐振動 | 頻率10~500Hz 雙振幅3.0mm(MAX.20G) X,Y和Z方向各2小時 | ||
| 耐沖擊 | 加速度500m/s2(約50G) X,Y和Z方向各3次 | ||
| 投光元件 | 紅色/綠色/藍色 復合LED(投光波峰波長:640nm/525nm/470nm) | ||
| 材質 | 外殼:PBT,顯示罩:聚碳酸酯,操作按鈕:硅膠,透鏡:玻璃,透鏡管座:鋁 | ||
| 電纜 | 0.34mm2 芯橡皮電纜,長2m | (注2) | |
| 電纜延長 | 0.3mm2以上的電纜全長可延長至100m | ||
| 重量 | 本體重量:約120g,包裝重量:約180g | 本體重量:約55g,包裝重量:約120g | |
| 附件 | 帶墊圈的M4螺絲(長30mm):2個 | ||
(注1):無指定時的測量條件為使用環境溫度=+23℃。
(注2):連接器型不附帶電纜。請務必另行訂購連接器型用連接電纜
光點尺寸特性圖(代表示例)
|
(單位:mm)
|
設定距離(L) (注1) |
光點距離(注2) | |
|---|---|---|
| 寬(W) | 長(D) | |
| 7 | 2.0 | 5.5 |
| 8 | 1.7 | 5.5 |
| 9 | 1.2 | 5.3 |
| 10 | 1.0 | 5.0 |
| 11 | 1.3 | 5.0 |
| 12 | 1.5 | 5.0 |
| 13 | 2.0 | 5.0 |
| (注1): | 設定距離L為透鏡前到工作點的距離。 |
|---|---|
| (注2): | 數值為代表示例。請作為參考使用。 |
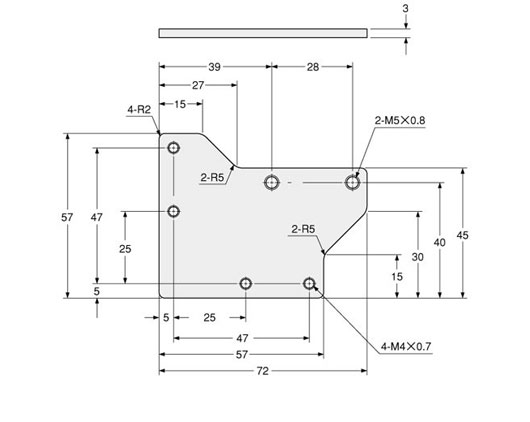
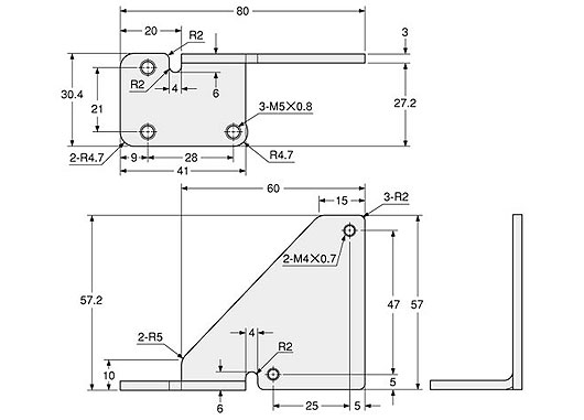
尺寸圖
- 單位mm
LX-101
LX-101-P
傳感器
|
LX-101-Z
LX-101-P-Z
傳感器
|
MS-LX-1
傳感器安裝支架(另售)
|
MS-LX-2
傳感器安裝支架(另售)
|



















科恩電氣
科恩眾和