光學燈式光纖傳感器 LX-23
實現0.1ms的高速反應、高精度的顏色辨別
- 基本信息
- 產品種類
- 詳細規格
- 產品尺寸
- 產品用途
- 可選件
實現0.1ms的高速反應、高精度的顏色辨別
|
特點
光纖傳感器
|
放大器
|
規格
光纖
| 種類 | 透過型 | 同軸反射型 | 固定同軸反射型 |
| 型號 | FT-3 | FR-3 | FF |
| 適用放大器 | LX-23 | ||
| 檢測距離(注2) | 30mm | 1?3mm(中心1.5mm) | |
| 最小檢測物體 | φ1.5mm | 白紙上的0.1mm寬黑線(最佳狀態下) | |
| 應差 | ? | 動作距離的10%以下 | |
| 光纖長度 | 300mm | 300mm | ? |
| 允許彎曲半徑(注3) | R30mm以上 | ? | |
| 使用環境溫度 |
-20?+70℃ (注意不可結露、結冰) 存儲時:-20?+70℃ |
-10?+40℃ (注意不可結露、結冰) 存儲時:-10?+40℃ |
|
| 使用環境濕度 | 35?85%RH、存儲時:35?85%RH | ||
| 材質 |
外殼:硅膠管 光纖:丙烯類樹脂 |
外殼:黃銅 (鍍鎳) 光纖:丙烯類樹脂 |
|
(注1):無指定時的測量條件為使用環境溫度=+23℃。
(注2):反射型的檢測距離是相對于白色無光澤紙(50×50mm)的數值。
(注3):表示光纖90°彎曲時的數值。
放大器
| 種類 | 光學燈式 | |
| 型號 | LX-23 | |
| 電源電壓 | 12V DC±10% 脈動P-P10%以下 | |
| 消耗電流 | 150mA以下 | |
| 輸出 |
NPN通用晶體管 ?最大流入電流:80mA ?剩余電壓:1V以下(流入電流為80mA時) |
|
| 輸出動作 | 入光時ON | |
| 反應時間 | 0.1ms(最大反應頻率:10kHz) | |
| 工作狀態指示燈 | 紅色LED(入光時亮起) | |
| 靈敏度調節器 | 配備光學式、多圈調節器 | |
|
環 境 性 能 |
保護構造 | IP62(IEC)、防滴形(JIS) |
| 使用環境溫度 | -10?+40℃(注意不可結露、結冰)、存儲時:-10?+40℃ | |
| 使用環境濕度 | 35?85%RH、存儲時:35?85%RH | |
| 使用環境照度 | 500lx(可辨別比反射率88%和63%的白光的外光變動量) | |
| 耐振動 | 頻率10~55Hz 雙振幅1.5mm X,Y和Z方向各2小時 | |
| 耐沖擊 | 加速度300m/s2(約30G) X,Y和Z方向各3次 | |
| 光源 | 光學用鎢燈(平均壽命2萬小時) | |
| 外殼接地方式 | 直接接地 | |
| 材質 | 鋅壓鑄件 | |
| 電纜 | 0.3mm23芯橡皮電纜,長1m | |
| 電纜延長 | 0.3mm2以上的電纜全長可延長至50m | |
| 重量 | 本體重量:約150g | |
(注1):無指定時的測量條件為使用環境溫度=+23℃。
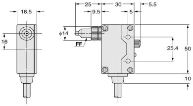
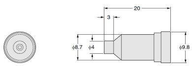
尺寸圖
- 單位mm
LX-23
放大器
|
FT-3
透過型光纖
|
FR-3
同軸反射型光纖
|
FF
固定同軸反射型光纖
|
|















科恩電氣
科恩眾和