顏色檢測光纖傳感器FZ-10系列 FZ-11(FZ-11P)
精確的顏色辨別 ?R?G?B的LED光源 ?設定簡單 ?高速反應1ms
- 基本信息
- 產品種類
- 詳細規格
- 產品尺寸
- 產品用途
- 可選件
可靠而精確的顏色判別
|
※1
|
※2
|
| ※1 | EMC指令 |
|---|---|
| ※2 | Recognition認證 |
特點
采用紅色、綠色、藍色LED
|
FZ-10放大器裝備有紅色、綠色和藍色LED,作為光源,比白熾燈的壽命更長,更加不受周圍光線影響且保養方便。 |
|
卓越的色差分辨能力
|
通過數碼處理,顏色分解成紅、綠和藍三個部分,可進行高精度的色差辨別。 (注):存在因為客戶的使用工件的形狀?顏色?光澤的原因無法檢測情況,敬請聯系。 |
|
高速反應:1ms
反應時間為1ms,適用于高速生產線上移動中的細小工件。
設定簡單
只須按一下按鈕,便可確認目標顏色。
有兩種方法來設定:手動教導和自動教導。
另有可調校電位器設定16級顏色辨別的容許值。
備有4種型號的光纖
根據需要顏色判別的工件的顏色和用途,選擇合適的光纖。也能判別小型工件的顏色。
|
種類
放大器
光纖
| (注1): | 檢測范圍是指,以各光纖的設定距離,將辨別容許值設定開關調節到刻度16(▲標記),以教導白色無光澤紙(50×50mm)的靈敏度可檢測白色無光澤紙的范圍。 |
|---|
附件
|
可與通用光纖進行組合
通用光纖FD-B8/FM2/G4與FZ-10系列放大器組合使用時,也可用于顏色辨別。 因為該通用光纖有一個小螺紋光纖頭,且是自由裁切型光纖,可以裁切所要求的光纜長度,并且可安裝在狹窄的空間內。
|
|
|
|||||||||
注意:精確檢測時不能使用以上光纖。
規格
放大器
| 種類 | NPN輸出 | PNP輸出 | |
| 型號 | FZ-11 | FZ-11P | |
| 適用光纖 | FD-L51、FD-L52、FD-L53、FD-L54 | ||
| 電源電壓 | 12?24V DC±10% 脈動P-P10%以下 | ||
| 消耗電流 | 45mA以下 | ||
| 檢測物體 | 大于適用光纖光點直徑的不透明體和半透明體 | ||
| 輸出 |
NPN開路集電極晶體管 ?最大流入電流:100mA ?外加電壓:30V DC以下(輸出和0V之間) ?剩余電壓:1V以下 (流入電流為100mA時) 0.4V以下 (流入電流為16mA時) |
PNP開路集電極晶體管 ?最大源電流:100mA ?外加電壓:30V DC以下 ?剩余電壓:1V以下 (源電流為100mA時) 0.4V以下 (源電流為16mA時) |
|
| 輸出動作 | 可用切換開關選擇檢測顏色一致時ON/檢測顏色不一致時ON | ||
| 短路保護 | 配備 | ||
| 反應時間 | 1ms以下(自動教導設定時3ms以下) | ||
| 指示燈 |
電源指示燈: 綠色LED(通電時亮起,自動教導待機中閃爍) 工作狀態指示燈: 紅色LED(輸出ON時亮起) ※手動教導產生錯誤時,交替閃爍輸出短路時同時閃爍 |
||
| 定時器功能 | 裝備約40ms固定斷開延遲定時器 有效/無效切換式 | ||
| 設定方式 |
按鈕設定式 可用切換開關選擇手動教導/自動教導 |
||
| 辨別容許値 | 使用辨別容許值設定開關可在16個級別間進行調節 | ||
|
環 境 性 能 |
使用環境溫度 | -10?+55℃(注意不可結露、結冰)(注2)、存儲時:-20?+70℃ | |
| 使用環境濕度 | 35?85%RH、存儲時:35?85%RH | ||
| 使用環境照度 | 白熾燈:受光面照明度3,000lx以下 | ||
| 耐電壓 | AC1,000V 1分鐘 所有電源連接端子與外殼之間(注3) | ||
| 絕緣電阻 | 所有電源連接端子與外殼之間,20MΩ以上,基于DC250V的高阻表(注3) | ||
| 耐振動 | 頻率10~150Hz 雙振幅0.75mm X,Y和Z方向各2小時 | ||
| 耐沖擊 | 耐久100m/s2(約10G) XYZ各方向3次 | ||
| 投光元件 | 紅色LED?綠色LED?藍色LED(投光波峰波長: 644nm?525nm?470nm、調制式) | ||
| 材質 | 本體外殼:ABS、外罩:聚碳酸酯、光纖鎖桿:PPS | ||
| 電纜 | 0.2mm23芯橡皮電纜,長2m | ||
| 電纜延長 | 0.3mm2以上的電纜全長可延長至100m | ||
| 重量 | 本體重量:約85g | ||
| 附件 | MS-DIN-3(放大器安裝支架):1個、調整螺絲刀:1把 | ||
(注1): 無指定時的測量條件為使用環境溫度=+23℃。
(注2): 當辨別容許值設定開關設定在1至4級達到精確顏色分辨力時,放大器應在環境溫度處于+15℃~+35℃時使用。
(注3): 耐電壓和絕緣電阻值僅適用于放大器單件。
光纖
| 種類 | 標準型 | 高精度型 | 極小光點型 | 長檢測距離型 |
| 型號 | FD-L51 | FD-L52 | FD-L53 | FD-L54 |
| 適用放大器 | FZ-11、FZ-11P | |||
| 檢測范圍(注2) | 14?24mm | 8?11mm | 4?6mm | 30?50mm |
| 設定距離 | 20mm(固定) | 10mm(固定) | 5mm(固定) | 40mm(固定) |
|
光點直徑 (設定距離) |
φ5mm | φ2.5mm | φ1mm | φ8mm |
| 容許彎曲半徑保 | R25mm以上(注3) | |||
| 光纖長度 | 1m | |||
| 使用環境溫度 | -20?+70℃(注意不可結露、結冰)、存儲時:-20?+70℃ | |||
| 使用環境濕度 | 35?85%RH、存儲時:35?85%RH | |||
| 材質 | 光纖:丙烯、外殼:聚乙烯、光纖頭:聚碳酸酯、透鏡:聚芳酯(FD-L54:丙烯) | |||
| 重量 | 本體重量:約15g | |||
(注1): 無指定時的測量條件為使用環境溫度=+23℃。
(注2): 檢測范圍是指,以各光纖的設定距離,將辨別容許值設定開關調節到刻度16(▲標記),以教導白色無光澤紙(50×50mm)的靈敏度可檢測白色無光澤紙的范圍。
(注3): 如果光纖彎曲半徑小于R25mm,檢測能力也許會下降。
(注4): 由于光纖FD-L51(標準型)很容易受光澤反射所影響,如果檢測高反射率工件(如鏡子、電鍍件、銅箔等),教導設定可能不正常,檢測也會不穩定。檢測以上這些工件,請使用FD-L52(高精度型)或FD-L53(極小光點型)檢測頭,并確保投射光軸與工件表面垂直。
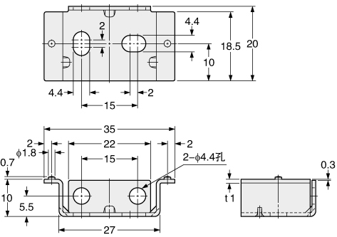
尺寸圖
- 單位mm
FZ-11
FZ-11P
放大器
附帶放大器安裝支架的安裝圖
|
MS-DIN-3
|
FD-L51
|
FD-L52
|
FD-L53
|
FD-L54
|
用途
|
|
|




















科恩電氣
科恩眾和