數字光纖傳感器 FX-300系列 單觸式電纜FX-301(-HS)/B/G/H用母電纜 (3芯)CN-73-C2
檢查性能大幅提升 ?高功能 ?紅色/綠色/藍色/紅外LED光
編 號:1012891588
型 號:母電纜 (3芯)CN-73-C2
品 牌:Panasonic(松下電工)
貨 期:現貨
服 務:由科恩電氣發貨并提供售后服務
瀏 覽:次
- 基本信息
- 產品種類
- 詳細規格
- 產品尺寸
- 產品用途
- 可選件
進一步升級,檢測性能大幅提升
|
※1
|
※2
|
※3
|
| ※1 | EMC指令 |
|---|---|
| ※2 | Recognition認證 |
| ※3 | 認證獲得(僅限連接器型的NPN輸出型) |
特點
長期和短期的穩定檢測 [FX-301,FX-301-HS,FX-305]
|
“4 元素發光二極體”最大限度地抑制了投光元件的老化,可確保穩定的發光量,此外還全新配備了“APC(Auto Power C4ontrol)電路”。通過對投光量進行細微控制還可抑制電源接通等情況下的變動,因此可減少以往無法抑制的周圍環境變化引起的投光量不穩定,從而維持穩定的檢測狀態。 |
|
檢測距離大幅增加 [所有機型]
|
采用“雙耦合透鏡”,最大限度地提高了投光效率,大幅增加了檢測距離。由于貼片元器件零件的超小型化,小徑、極小徑光纖的使用日趨廣泛,其檢測距離與以往相比增加了50%。 |
|
投光量可調節 [FX-301,FX-301-HS,FX-305]
|
近距離檢測或檢測透明物體或小型物體的情況下,受光水平飽和時,無需改變反應時間,即可調節傳感器的投光量,實現穩定的檢測。使用該項功能,對于以往需改變反應時間及光纖才能進行的檢測,也可輕松進行設定。 |
|
|
最大顯示值為9999 [FX-305]
|
四位最大顯示值為9999。digit 值的差值大于以往產品,設定時可留有一定余量。可以1digit 為單位設定基準值,最大設定值為9999,因此可以進行更為簡單精確的設定。 |
|
超高速35μs [FX-301-HS]
|
可實現35μs 的超高速反應。也可檢測高速移動的小型工件。此外,標準型的FX-301 也實現了以往2倍的65μs 高速反應。 |
|
通過新模式簡化系統 [FX-305]
|
配備5種定時器功能 [FX-305]
|
FX-305除FX-301(-HS)的接通延遲/斷開延遲/ONE SHOT定時器外,另配備接通延遲·斷開延遲定時器和接通延遲·ONE SHOT定時器。僅通過光纖傳感器即可執行多種定時器控制。 |
|
初學者亦能使用的MODE NAVI [所有機型]
通過6個指示燈顯示傳感器基本操作項目的MODE NAVI。如今,輕松一瞥即可確認當前設定的操作模式,因此即便是初學者亦可輕松進行操作。
2個開關,操作簡便 [所有機型]
|
操作開關僅有大型MODE按鈕和大型突出開關2個。可按照右圖所示的3個步驟輕松操作。 |
|
基準值容易確認 [FX-301,FX-301-HS,FX-305]
|
即使在RUN模式,推動微動開關來對基準值進行確認。 |
|
使用單觸式電纜節省配線和工時 [連接器型]
|
1臺放大器既可用作主機,也可用作子機 放大器本體無主機、子機之分。僅需區分使用母電纜和子電纜,即可區分主機和子機,因此可輕松進行連接。此外,也節省了放大器的庫存管理等維護工時。 |
|
通過光通信功能,最多可同時調整16臺傳感器 [所有機型]
|
可通過光通信功能,將當前設定的數據整體復制并保存至連接于右側的放大器。確保工序切換暢通無阻,即使是更換傳感器時繁瑣的靈敏度調節等操作,也可利用光通信功能輕松復制和保存數據。 |
|
可直接通過數值輸入進行設定 [所有機型]
|
僅需輸入4位代碼(數字)即可設定各種功能。在操作現場錯誤地變更了設定時,僅需修正代碼即可恢復設定,有效地節省了維護工時。 |
|
數字傳感器用外部輸入單元 [FX-CH2]
|
利用PLC、觸摸屏進行教導與變更設定 |
|
數字傳感器用上位通信單元 [SC-GU1-485]
|
全新的數字傳感器遠程維護方案! |
|
種類
連接器型放大器
放大器本體不附帶單觸式電纜。請務必另行購買單觸式電纜。
| 種類 | 形狀 | 型號 | 投光元件 | 輸出 |
|---|---|---|---|---|
| 標準型 |
|
FX-301 | 紅色LED | NPN開路集電極晶體管 |
| FX-301P | PNP開路集電極晶體管 | |||
| FX-301B | 藍色LED | NPN開路集電極晶體管 | ||
| FX-301BP | PNP開路集電極晶體管 | |||
| FX-301G | 綠色LED | NPN開路集電極晶體管 | ||
| FX-301GP | PNP開路集電極晶體管 | |||
| FX-301H | 紅外線LED | NPN開路集電極晶體管 | ||
| FX-301HP | PNP開路集電極晶體管 | |||
| 高速型 | FX-301-HS | 紅色LED | NPN開路集電極晶體管 | |
| FX-301P-HS | PNP開路集電極晶體管 | |||
| 高功能型 |
|
FX-305 | 紅色LED | NPN開路集電極晶體管 |
| FX-305P | PNP開路集電極晶體管 |
電纜型放大器
| 種類 | 形狀 | 型號 | 投光元件 | 輸出 | 內容 |
|---|---|---|---|---|---|
| 標準型 |
|
FX-301-C1 | 紅色LED | NPN開路集電極晶體管 |
附帶1m橡皮電纜 電纜外徑:?3.7mm |
| FX-301P-C1 | PNP開路集電極晶體管 |
單觸式電纜 FX-301(-HS)/B/G/H用
連接器型放大器本體不附帶單觸式電纜。請務必另行購買單觸式電纜。
| (注): |
從2013年3月開始生產的產品,單觸式電纜的材質將更改為適應UL認證的材質(難燃性VW-1)。 ?導體公稱截面積:0.15mm2→0.2mm2 ?鎧裝外徑:?3.0mm→?3.3mm |
|---|
|
|
單觸式電纜 FX-305用
連接器型放大器本體不附帶單觸式電纜。請務必另行購買單觸式電纜。
| (注): |
從2013年3月開始生產的產品,單觸式電纜的材質將更改為適應UL認證的材質(難燃性VW-1)。 ?導體公稱截面積:0.15mm2→0.2mm2 ?鎧裝外徑:?3.0mm→?3.3mm |
|---|
|
|
尾盤
尾盤放大器本體不附帶尾盤。連接時請務必另行購買尾盤。
| 形狀 | 型號 | 內容 |
|---|---|---|
|
MS-DIN-E |
連接放大器或在DIN導軌上移動放大器時,請從兩端夾緊放大器,并將其固定。 連接時請務必使用。 |
| 訂貨產品號 | CN-73-C2 |
| 型號 | CN-73-C2 |
| 產品名稱 | 單觸式電纜 |
| 詳細 | 母電纜(3芯) |
| 系列名稱 | 電纜 |
規格詳細
| 項目 | 內容 |
|---|---|
| 訂貨產品號 | CN-73-C2 |
| 型號 | CN-73-C2 |
| 內容 |
長度2m 0.2mm2 3芯片橡皮電纜,一端帶連接器 電纜外徑:?3.3mm |
規格
標準型
| 種 類 | 標準型 | ||||
| 紅色LED | 藍色LED | 綠色LED | 紅外線LED | ||
|
型 號 |
NPN 輸出 |
FX-301 (-C1) |
FX-301B | FX-301G | FX-301H |
|
PNP 輸出 |
FX-301P (-C1) |
FX-301BP | FX-301GP | FX-301HP | |
| 電源電壓 | 12?24V DC±10% 脈動P-P10%以下 | ||||
| 功耗 |
<紅色LED/紅外線LED型> 通常時:960mW以下(電源電壓24V時,消耗電流40mA以下) 選擇ECO模式時:600mW以下(電源電壓24V時,消耗電流25mA以下) <藍色LED/綠色LED型> 通常時:720mW以下(電源電壓24V時,消耗電流30mA以下) 選擇ECO模式時:430mW以下(電源電壓24V時,消耗電流18mA以下) |
||||
| 輸出 |
<NPN輸出型> NPN開路集電極晶體管 ?最大流入電流:100mA(連接5臺以上時為50mA) ?外加電壓:30V DC以下(輸出和0V之間) ?剩余電壓:1.5V以下(流入電流為100mA時,連接5臺以上時為50mA) <PNP輸出型> PNP開路集電極晶體管 ?最大源電流:100mA(連接5臺以上時為50mA) ?外加電壓:30V DC以下(輸出和+V之間) ?剩余電壓:1.5V以下(源電流為100mA時,連接5臺以上時為50mA) |
||||
| 輸出動作 | 可用突出開關選擇入光時ON/非入光時ON | ||||
| 短路保護 | 配備 | ||||
| 反應時間 | 可用突出開關選擇 65μs以下[H-SP(僅適用于紅色LED型)]、150μs以下(FAST)、250μs以下[STD/S-D(僅適用于紅色LED型)]、2ms以下(LONG) | ||||
|
靈敏度設定 方法 |
2點教導/限定教導/手動調節/全自動教導/最大靈敏度教導 | ||||
| 工作狀態指示燈 | 橙色LED(輸出ON時亮起) | ||||
| 穩定指示燈 | 綠色LED(穩定入光時、穩定非入光時亮起) | ||||
|
MODE 顯示燈 |
RUN:綠色LED、TEACH?ADJ?L/D?TIMER?PRO:黃色LED | ||||
|
數字 顯示 |
4位紅色LED顯示 | ||||
|
設定靈敏度 微調功能 |
配備 | ||||
| 定時器功能 |
配備有可變接通延遲定時器/斷開延遲定時器/ONE SHOT定時器 可調節有效或無效 [定時器時間:紅色LED型,約0.5ms、1~9999ms(藍色LED、綠色LED、紅外線LED型,約0.5~500ms)] |
||||
|
投光量 調節功能 |
配備(僅適用于紅色LED)(注3) FAST、STD、LONG:4點、 H-SP:3點、 S-D:2點 |
||||
|
自動防干擾 功能 |
配備 (最多可緊貼安裝4個光纖頭。但在H-SP模式下只能安裝2個)(注4) |
||||
|
環 境 性 能 |
使用環境 溫度 |
-10?+55℃(4?7臺緊貼時:-10?+50℃、8?16臺緊貼時:-10?+45℃) (注意不可結露、結冰)、存儲時:-20?+70℃ | |||
|
使用環境 濕度 |
35?85%RH、存儲時:35?85%RH | ||||
|
使用環境 照度 |
白熾燈:受光面照明度3,000lx以下 | ||||
| 耐電壓 | AC1,000V 1分鐘 所有電源連接端子與外殼之間(注5) | ||||
| 絕緣電阻 | 所有電源連接端子與外殼之間,20MΩ以上,基于DC250V的高阻表(注5) | ||||
| 耐振動 | 加速度10?150Hz 雙振幅0.75mm X,Y和Z方向各2小時 | ||||
| 耐沖擊 | 加速度98m/s2(約10G) X,Y和Z方向各5次 | ||||
|
投光元件 (調制式) |
紅色 LED |
藍色 LED |
綠色 LED |
紅外線 LED |
|
|
投光 波峰 波長 |
650nm | 470nm | 525nm | 940nm | |
| 材質 |
外殼:耐熱ABS,外罩:聚碳酸酯,MODE按鈕:丙烯, 突出開關:耐熱ABS(FX-301B/G/H丙烯) |
||||
| 連接方式 |
連接器連接方式(注6) [FX-301(P)-C1附帶1m截面積為0.15mm2的3芯橡皮電纜] |
||||
| 配線長度 |
0.3mm2以上的電纜全長可延長至100m (安裝5~8臺時:50m、安裝9~16臺時:20m) |
||||
| 重量 |
本體重量:約20g[電纜型FX-301(P)-C1約為60g], 包裝重量:約25g[電纜型FX-301(P)-C1約為65g] |
||||
| 附件 |
FX-MB1 (放大器保護封條):1套 |
- | |||
(注1):無指定時的測量條件為使用環境溫度=+23℃。
(注2):每個輸出為50mA。若連接5個以上的放大器,則為25mA。
(注3):在所有模式中,投光量均可為0(停止投光)。
(注4):電源接通時,防干擾設定將自動設定投光定時。
(注5)::耐電壓和絕緣電阻值僅適用于放大器單件。
(注6):不附帶單觸式電纜。請務必另行購買單觸式電纜。
用于FX-301(P)(-HS)的母電纜(3芯):CN-73-C1(電纜長1m)、CN-73-C2(電纜長2m)、CN-73-C5(電纜長5m)
用于FX-301(P)(-HS)的子電纜(1芯):CN-71-C1(電纜長1m)、CN-71-C2(電纜長2m)、CN-71-C5(電纜長5m)
用于FX-305(P)的母電纜(4芯):CN-74-C1(電纜長1m)、CN-74-C2(電纜長2m)、CN-74-C5(電纜長5m)
用于FX-305(P)的子電纜(2芯):CN-72-C1(電纜長1m)、CN-72-C2(電纜長2m)、CN-72-C5(電纜長5m)
高速型/高功能型
| 種 類 | 高速型 | 高功能型 | |
|
型 號 |
NPN 輸出 |
FX-301-HS | FX-305 |
|
PNP 輸出 |
FX-301P-HS | FX-305P | |
| 電源電壓 | 12?24V DC±10% 脈動P-P10%以下 | ||
| 功耗 |
<紅色LED/紅外線LED型> 通常時:960mW以下(電源電壓24V時,消耗電流40mA以下) 選擇ECO模式時:600mW以下(電源電壓24V時,消耗電流25mA以下) <藍色LED/綠色LED型> 通常時:720mW以下(電源電壓24V時,消耗電流30mA以下) 選擇ECO模式時:430mW以下(電源電壓24V時,消耗電流18mA以下) |
||
| 輸出 |
<NPN輸出型> NPN開路集電極晶體管 ?最大流入電流:100mA(連接5臺以上時為50mA) ?外加電壓:30V DC以下(輸出和0V之間) ?剩余電壓:1.5V以下(流入電流為100mA時,連接5臺以上時為50mA) <PNP輸出型> PNP開路集電極晶體管 ?最大源電流:100mA(連接5臺以上時為50mA) ?外加電壓:30V DC以下(輸出和+V之間) ?剩余電壓:1.5V以下(源電流為100mA時,連接5臺以上時為50mA) |
<NPN輸出型> NPN開路集電極? 晶體管雙輸出 ?最大流入電流:各50mA (注2) ?外加電壓:30V DC以下 (輸出和0V之間) ?剩余電壓:1.5V以下 [流入電流為50mA時(注2)] <PNP輸出型> PNP開路集電極? 晶體管雙輸出 ?最大源電流:各50mA (注2) ?外加電壓:30V DC以下 (輸出和+V之間) ?剩余電壓:1.5V以下 [源電流為50mA時(注2)] |
|
| 輸出動作 | 可用突出開關選擇入光時ON/非入光時ON | ||
| 短路保護 | 配備 | ||
| 反應時間 |
35μs以下(H-SP)、 150μs以下(FAST)、 250μs以下(STD/S-D)、 2ms以下(LONG) 可用突出開關選擇 |
65μs以下(H-SP)、 150μs以下(FAST)、 250μs以下(STD)、 700μs以下(STDF)、 2.5ms以下(LONG)、 4.5ms以下(U-LG) 可用突出開關選擇 |
|
|
靈敏度設定 方法 |
2點教導/限定教導/手動調節/全自動教導/最大靈敏度教導 |
通常模式: 2點教導/限定教導/全自動教導/最大靈敏度教導/手動調節 窗口對比模式:教導(1點、2點、3點)/手動調節 |
|
| 工作狀態指示燈 | 橙色LED(輸出ON時亮起) | ||
| 穩定指示燈 | 綠色LED(穩定入光時、穩定非入光時亮起) | - | |
|
MODE 顯示燈 |
RUN:綠色LED、TEACH?ADJ?L/D?TIMER?PRO:黃色LED | ||
|
數字 顯示 |
4位紅色LED顯示 | ||
|
設定靈敏度 微調功能 |
配備 | ||
| 定時器功能 |
配備有可變接通延遲定時器/斷開延遲定時器/ONE SHOT定時器 可調節有效或無效 [定時器時間:紅色LED型,約0.5ms、1~9999ms(藍色LED、綠色LED、紅外線LED型,約0.5~500ms)] |
配備有可變接通延遲定時器/斷開延遲定時器/ONE SHOT定時器/接通延遲?斷開延遲定時器/接通延遲?ONE SHOT定時器 可調節有效或無效 (定時器時間 輸出1 :0.5ms、1~9999ms ;輸出2 :0.5ms、1~500ms) |
|
|
投光量 調節功能 |
配備(注3) FAST、STD、LONG:4點 H-SP、S-D:2點 |
配備(注3) FAST、STD、STDF、LONG、U-LG:4點 H-SP:3點 |
|
|
自動防干擾 功能 |
- |
配備 [最多可緊貼安裝4個光纖頭 (但在U-LG模式下能安裝8個,H-SP模式下只能安裝2個)](注4) |
|
|
環 境 性 能 |
使用環境 溫度 |
-10?+55℃(4?7臺緊貼時:-10?+50℃、8?16臺緊貼時:-10?+45℃) (注意不可結露、結冰)、存儲時:-20?+70℃ | |
|
使用環境 濕度 |
35?85%RH、存儲時:35?85%RH | ||
|
使用環境 照度 |
白熾燈:受光面照明度3,000lx以下 | ||
| 耐電壓 | AC1,000V 1分鐘 所有電源連接端子與外殼之間(注5) | ||
| 絕緣電阻 | 所有電源連接端子與外殼之間,20MΩ以上,基于DC250V的高阻表(注5) | ||
| 耐振動 | 加速度10?150Hz 雙振幅0.75mm X,Y和Z方向各2小時 | ||
| 耐沖擊 | 加速度98m/s2(約10G) X,Y和Z方向各5次 | ||
|
投光元件 (調制式) |
紅色 LED |
紅色 LED |
|
|
投光 波峰 波長 |
650nm | 650nm | |
| 材質 |
外殼:耐熱ABS,外罩:聚碳酸酯,MODE按鈕:丙烯, 突出開關:耐熱ABS(FX-301B/G/H丙烯) |
||
| 連接方式 |
連接器連接方式(注6) [FX-301(P)-C1附帶1m截面積為0.15mm2的3芯橡皮電纜] |
||
| 配線長度 |
0.3mm2以上的電纜全長可延長至100m (安裝5~8臺時:50m、安裝9~16臺時:20m) |
||
| 重量 |
本體重量:約20g[電纜型FX-301(P)-C1約為60g], 包裝重量:約25g[電纜型FX-301(P)-C1約為65g] |
||
| 附件 | - | FX-MB1(放大器保護封條):1套 | |
(注1):無指定時的測量條件為使用環境溫度=+23℃。
(注2):每個輸出為50mA。若連接5個以上的放大器,則為25mA。
(注3):在所有模式中,投光量均可為0(停止投光)。
(注4):當防干擾功能被設定為“IP-2”時,可緊貼安裝的光纖頭數量會變成原來的2倍,而且請注意反應時間也會變為2倍。
(注5):耐電壓和絕緣電阻值僅適用于放大器單件。
(注6):不附帶單觸式電纜。請務必另行購買單觸式電纜。
用于FX-301(P)(-HS)的母電纜(3芯):CN-73-C1(電纜長1m)、CN-73-C2(電纜長2m)、CN-73-C5(電纜長5m)
用于FX-301(P)(-HS)的子電纜(1芯):CN-71-C1(電纜長1m)、CN-71-C2(電纜長2m)、CN-71-C5(電纜長5m)
用于FX-305(P)的母電纜(4芯):CN-74-C1(電纜長1m)、CN-74-C2(電纜長2m)、CN-74-C5(電纜長5m)
用于FX-305(P)的子電纜(2芯):CN-72-C1(電纜長1m)、CN-72-C2(電纜長2m)、CN-72-C5(電纜長5m)
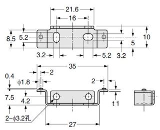
尺寸圖
- 單位mm
FX-301□
FX-305(P)
|
FX-301-C1
FX-301P-C1
|
CN-73-C□
CN-74-C□
|
CN-71-C□
CN-72-C□
子電纜(另售)
|
MS-DIN-2
放大器安裝支架(另售)
|
MS-DIN-E
尾盤(另售)
|
可選件
| (注1): | FX-301(P)及FX-305(P)不附帶光纖放大器保護封條。 |
|---|
|
|
其它
關于其它可選件、詳細請參考「光纖可選件」和「光纖用透鏡」各頁面。




















科恩電氣
科恩眾和