數字光纖傳感器FX-410系列 連接器型放大器FX-411 / FX-411B / FX-411G
只需"查看" "旋轉"的簡單易操作型光纖傳感器 ?2個畫面 ?紅色/綠色/藍色LED光
編 號:1012881599
型 號:FX-411 / FX-411B / FX-411G
品 牌:Panasonic(松下電工)
貨 期:現貨
服 務:由科恩電氣發貨并提供售后服務
瀏 覽:次
- 基本信息
- 產品種類
- 詳細規格
- 產品尺寸
- 產品用途
- 可選件
只需“查看”、“旋轉”的簡單易操作型光纖傳感器
|
※1
|
※2
|
※3
|
| ※1 | EMC指令 |
|---|---|
| ※2 | Recognition認證(FX-412□除外) |
| ※3 | 認證獲得(FX-412□、PNP輸出型除外) |
特點
同時顯示入光量和基準值
無需操作,即可同時確認入光量和基準值。此外,調整時也無需進入復雜的模式。
可消除人為調整的偏差
采用數字顯示,可通過數值準確管理調節器的基準值,因此誰都可以進行相同設定。
簡單明了的按鈕設計
|
基準值調節器和動作切換開關采用大按鈕設計。其操作與通用光電傳感器操作相似。不經常使用的功能則通過置于不醒目位置的設定開關進行操作。 |
|
可順利變更基準值
內置采用了小型編碼器的R.S.S.※調節器。
由于根據調節器的旋轉速度可改變基準值的變化量,因此能進行快速調整。
※Rotation Speed Sensitivity
|
大型無限制調節器
|
無論是精密螺絲刀還是普通尺寸的螺絲刀都可進行操作。另外,由于是無限制構造,因此無需擔心因過度旋轉而造成的損壞。 |
|
可手動旋轉的FX-412
|
只需利用指尖夾持,即可直接旋轉調節器,而不必再使用螺絲刀。 |
|
惡劣環境下也能發揮超強威力。光束能量得到大幅提高 [紅色LED型]
光束能量得到大幅提高。在多塵條件下的檢測能力得到加強,檢測距離也大幅增加。完全可以在各種環境下進行設置。
|
長期·短期穩定性提高 [紅色LED型]
|
紅色LED型在配備了能確保長期穩定投光的“4元素發光二極體”基礎上,新增了可提高電源接通時等的穩定性的“APC電路”。與以往產品相比,穩定性得到極大提高。 |
|
備有3種顏色(紅、藍、綠)的LED
可根據用途選擇使用。
|
極佳的施工性·維護性 [紅色光?連接器型]
連接器型(FX-411□、FX-412□)使用的是數字光纖傳感器FX-300系列等產品中采用的單觸式電纜。可與激光傳感器等混合使用,從而節省電源線。
|
有助于裝置的小型化
|
實現了W10×H30.5×D64.5mm的小規格。 |
|
備有3種類型的定時器
|
配備接通延遲、斷開延遲和ONE SHOT定時器。(定時器時間約為1ms~3s) |
|
可防止達8套的干擾(U-LG時)
|
基于光通信功能,最多可貼近安裝8套光纖(FAST、STD時為4套),且能防止相互干擾。(電源接通時自動設定) |
|
防止誤操作的鍵鎖功能
|
可防止作業人員錯誤變更基準值。 |
|
最適用于飽和對策/投光量可調節功能 [紅色LED型]
|
數字顯示反轉·熄滅功能
|
根據設置場合可設定數字顯示反轉。此外,由于配備穩定指示燈,因此即使在數字顯示熄滅時也可確認入光量是否存在余量。 |
|
保持功能
|
可顯示保持的入光量峰值/谷值。通過落下檢測等很方便就能確認入光量。此外,由于看著基準值確認峰值、谷值,因此調節也十分容易。 |
|
種類
電纜型放大器
| 種類 | 形狀 | 型號 | 投光元件 | 輸出 | 內容 |
|---|---|---|---|---|---|
|
NPN 輸出 |
|
FX-411-C2 | 紅色LED |
NPN開路集電極晶體管 |
附帶2m橡皮電纜 電纜外徑:?3.7mm |
| FX-411B-C2 | 藍色LED | ||||
| FX-411G-C2 | 綠色LED | ||||
|
PNP 輸出 |
FX-411P-C2 | 紅色LED | PNP開路集電極晶體管 | ||
| FX-411BP-C2 | 藍色LED | ||||
| FX-411GP-C2 | 綠色LED |
連接器型放大器
連接器型放大器本體不附帶單觸式電纜。請務必另行購買單觸式電纜。
| (注1): | FX-412□是用指尖夾住并旋轉基準值調節器的機型。 |
|---|
單觸式電纜
連接器型放大器本體不附帶單觸式電纜。請務必另行購買單觸式電纜。
| (注): |
從2013年3月開始生產的產品,單觸式電纜的材質將更改為適應UL認證的材質(難燃性VW-1)。 ?導體公稱截面積:0.15mm2→0.2mm2 ?鎧裝外徑:?3.0mm→?3.3mm |
|---|
|
|
尾盤
尾盤放大器本體不附帶尾盤。連接時請務必另行購買尾盤。
| 形狀 | 型號 | 內容 |
|---|---|---|
|
MS-DIN-E |
連接放大器或在DIN導軌上移動放大器時,請從兩端夾緊放大器,并將其固定。 連接時請務必使用。 |
規格
| 種類 | NPN輸出 | PNP輸出 | |||||
|---|---|---|---|---|---|---|---|
| 紅色LED | 藍色LED | 綠色LED | 紅色LED | 藍色LED | 綠色LED | ||
| 電纜型 | FX-411-C2 | FX-411B-C2 | FX-411G-C2 | FX-411P-C2 | FX-411BP-C2 | FX-411GP-C2 | |
| 連接器型 | FX-411 | FX-411B | FX-411G | FX-411P | FX-411BP | FX-411GP | |
|
FX-412 (注2) |
FX-412B (注2) |
FX-412G (注2) |
|||||
| 電源電壓 | 12~24V DC±10% 脈動P-P10%以下 | ||||||
| 功耗 |
<紅色LED型> 通常時:960mW以下(電源電壓24V時,消耗電流40mA以下) ECO模式時:840mW以下(電源電壓24V時,消耗電流35mA以下) <藍色LED/綠色LED型> 通常時:720mW以下(電源電壓24V時,消耗電流30mA以下) ECO模式時:580mW以下(電源電壓24V時,消耗電流24mA以下) |
||||||
| 輸出 |
NPN開路集電極晶體管 ? 最大流入電流:100mA(連接5臺以上的連接器型時為50mA) ? 外加電壓:30V DC以下(輸出和0V之間) ? 剩余電壓:1.5V以下 (流入電流為100mA時,連接5臺以上連接器型時為50mA) |
PNP開路集電極晶體管 ? 最大流入電流:100mA(連接5臺以上的連接器型時為50mA) ? 外加電壓:30V DC以下(輸出和+V之間) ? 剩余電壓:1.5V以下 (流入電流為100mA時,連接5臺以上連接器型時為50mA) |
|||||
| 輸出動作 | 可用開關切換入光時ON/非入光時ON | ||||||
| 短路保護 | 配備 | ||||||
| 反應時間 | 150μs以下(FAST)、500μs以下(STD)、4.5ms以下(U-LG) 切換式 | ||||||
| 工作狀態指示燈 | 橙色LED(輸出ON時亮起) | ||||||
| 穩定指示燈 | 綠色LED(穩定入光時、穩定非入光時亮起) | ||||||
| 定時器功能 |
配備有可變接通延遲定時器/斷開延遲定時器/ONE SHOT定時器 有效/無效切換式 [定時器時間(注3):1ms~3s(1~10ms:可以1ms為單位進行設定、10~100ms:可以10ms為單位進行設定、100~500ms:可以50ms為單位進行設定、500ms~1s:可以100ms為單位進行設定、1~3s:可以500ms為單位進行設定)] |
||||||
| 自動防干擾功能 | 配備(最多可緊貼安裝4個光纖頭。但在U-LG模式下最多能安裝8個)(注4) | ||||||
|
環 境 性 能 |
使用環境溫度 |
-10~+55℃(4~7臺緊貼時:-10~+50℃、8~16臺緊貼時-10~+45℃) (注意不可結露、結冰)、儲存時:-20~+70℃ |
|||||
| 使用環境濕度 | 35~85%RH、儲存時:35~85%RH | ||||||
| 使用環境照明度 | 白熾燈:受光面照明度3,000?x以下 | ||||||
| 耐電壓 | AC1,000V 1分鐘 所有電源連接端子與外殼之間(注5) | ||||||
| 絕緣電阻 | 所有電源連接端子與外殼之間,20MΩ以上,基于DC250V的高阻表(注5) | ||||||
| 耐震動 | 頻率10~150Hz 雙振幅0.75mm XY和Z方向各2小時 | ||||||
| 耐沖擊 | 加速度98m/s2(約10G) XY和Z方向各5次 | ||||||
| 投光元件(調制式) | 紅色LED | 藍色LED | 綠色LED | 紅色LED | 藍色LED | 綠色LED | |
| 投光波峰波長 | 650nm | 470nm | 525nm | 650nm | 470nm | 525nm | |
| 材質 | 外殼:耐熱ABS、外罩:聚碳酸酯 | ||||||
| 配線長度 | 0.3mm2以上的電纜全長可延長至100m(連接器型安裝5~8臺時:50m、安裝9~16時:20m) | ||||||
| 重量 | 本體重量:約60g(連接器型約20g)、包裝重量:約70g(連接器型約30g) | ||||||
(注1):無指定時的測量條件為使用環境溫度=+23℃。
(注2):FX-412□是用指尖夾住并旋轉基準值調節器的機型。
(注3):從2005年6月生產的部分起,定時器時間約為1~500ms。
(注4):電源接通時,防干擾設定將自動設定投光定時。
(注5):耐電壓和絕緣電阻值僅適用于放大器單件。
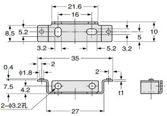
尺寸圖
- 單位mm
FX-411□-C2
FX-411□P-C2
|
FX-411□
FX-411□P
|
FX-412□
|
CN-73-C1 CN-73-C2
CN-73-C5
|
CN-71-C1 CN-71-C2
CN-71-C5
|
MS-DIN-2
|
MS-DIN-E
|
可選件
|
|
其它
關于其它可選件、詳細請參考「光纖可選件」和「光纖用透鏡」各頁面。





















科恩電氣
科恩眾和