電力環保功率監控表KW2G-H系列AKW2110G
最多可連接7臺單元、最大16回路的測量。備有模擬量輸入單元?脈沖輸入單元、可連接各種傳感器。
編 號:101550238
型 號:AKW2110G
品 牌:Panasonic(松下電工)
貨 期:現貨
服 務:由科恩電氣發貨并提供售后服務
瀏 覽:次
- 基本信息
- 產品種類
- 詳細規格
- 產品尺寸
- 產品用途
- 可選件
從導入到測量、數據管理,可簡單地實現使用能量的“可視化”!
|
|
|
CE 、Korean S Mark 已取得。
CE : EMC指令, 低電壓指令
韓國S標志 : 僅限 AKW2110G, AKW2152G, AKW2182G
2015年11月 對產品升級,更容易使用。
-
●追加計時表功能、可測量負載的OFF/ON時間等。
※關于計時表功能,最多可使用1臺擴展單元。 - ●通信速率 追加57600、115200bps。
特點
- 1.利用SD存儲卡簡單收集數據
- 2.通過KW View簡單實現“可視化”
- 3.簡易測量功能
- 4.簡單擴展、省去配線的繁瑣、且毫無浪費!
- 5.通過USB快速完成初始設置!迅速啟動!
- 6.JIS協議尺寸下單觸式安裝
- 7.可進行各種測量
- 8.可連接電力以外的各種傳感器!
- 9.可測量回路中每個脈沖輸出NEW
1.利用SD存儲卡簡單收集數據
自動將測量數據保存到SD存儲卡。
無需網絡即可收集數據。
● 可在1分鐘、5分鐘、10分鐘、15分鐘、30分鐘、60分鐘中選擇保存周期。
● 在畫面上顯示過去的使用量(最多8天)。
● 利用鋰電池進行備份,停電時也無需擔心。
● 未插入SD存儲卡時,可將數據存儲到本體。
|
2.通過KW View簡單實現“可視化”
利用計算機讀取SD存儲卡內所保存的測量數據,使用工具軟件“KW View”,即可簡單地顯示為圖表。
● 無需復雜的設定。
可從多個電力監控表的數據中選擇編號,顯示為比較圖表。
● 除電力外,利用擴展單元(脈沖輸入型)收集到的脈沖數據也可制成比較圖表。
|
3.簡易測量功能
如使用簡易測量模式,則只需在想要測量的電線上連接電流互感器即可。
即使是現有裝置,也無需切斷電源,即可進行電力測量。
● 即使是無法對測量電源進行配線的情況下,仍可進行電力測量。
|
4.簡單擴展、省去配線的繁瑣、且毫無浪費!
可根據需要最多擴展7臺單元。不需要對電源等進行配線。
擴展單元的測量數據可通過本體確認。
單相2線最大16電路、單相3線?三相3線最大8電路測量。
|
5.通過USB快速完成初始設置!迅速啟動!
通過USB連接PC,使用動作設置、確認工具KW Monitor
即可當場對KW2G-H進行初始設置并確認動作,可縮短啟動時間。
|
New |
- 關于KW Monitor軟件的獲取敬請聯系各地營業分公司。
6.JIS協議尺寸下單觸式安裝
可安裝JIS協議的安裝治具和DIN導軌。
7.可進行各種測量
■可同時測量電力與脈沖輸入(流量等)
■可測量變頻電源(一次邊)
■支持測量再生電力(負電力)
■可測量小電流,待機電力也可實現“可視化”
8.可連接電力以外的各種傳感器!
使用脈沖輸入/模擬輸入用擴展單元、可以監測空氣?水的使用量和溫度濕度?照明度等。
■電力測量
?基本單元(AKW2020G)
?擴展單元(AKW2110G)
?擴展單元(AKW2160G)
■脈沖輸入
?基本單元(AKW2020G)=1輸入
?擴展單元(AKW2152G)=2輸入
■模擬量輸入
?擴展單元(AKW2182G)=2輸入
|
9.可測量回路中每個脈沖輸出NEW
擴展單元(AKW2160G)可將測量的電力根據累計電力值或者警報通過脈沖進行輸出,也可對PLC等的上級系統進行控制。
通過脈沖輸出,可與擁有脈沖輸入功能的其他公司的設備實現簡單的連接。
加上累計脈沖輸出,對應3種電平輸出。
ON/OFF輸出應用事例:需求報警時報警燈閃爍
|
循環輸出應用事例:需量報警時蜂鳴器響
|
單穩輸出應用事例:通過三位機定時控制照明
|
種類
本體
| 品名 | 相位及線式 | 工作電源 | 輸入測量電壓 | 電流互感器(另售) | 訂貨產品號 | ||
|---|---|---|---|---|---|---|---|
|
KW2G 電力監控表 |
基本單元 |
單相2線式 單相3線式 三相3線式 |
100-240V AC 50/60Hz |
100/200V AC系 |
專用型[5A,50A, 100A,250A, 400A,600A] |
AKW2020G | |
| 擴展單元 | 電力測量 | AKW2110G | |||||
|
電力測量+脈沖輸出 (※1) |
AKW2160G | ||||||
| 脈沖輸入 | 輸入點數 | 輸入方式 |
AKW2152G |
||||
| 2個頻道 | 接點/無接點(開集) | ||||||
| 模擬量輸入 | 輸入點數 | 輸入范圍 |
AKW2182G |
||||
| 2個頻道 |
電壓:0~5V/1~5V(※2) 電流:0~20mA/4~20mA(※2) |
||||||
| ※1 | 基本單元請使用Ver.1.01以后版本。 |
|---|---|
| ※2 | 選擇設定模式。 |
專用電流傳感器(CT)
專用電流傳感器(CT)和主體不在同一包裝內。
請務必根據配電方式來購買專用CT。(使用二次邊5ACT時,需要使用AKW4801C。)
| 額定1次側電流 | 訂貨產品號 | |
|---|---|---|
|
分 割 型 |
5A/50A | AKW4801C |
| 100A | AKW4802C | |
| 250A | AKW4803C | |
| 400A | AKW4804C | |
| 600A | AKW4808C | |
|
貫 通 型 |
50A/100A | AKW4506C |
| 250A/400A | AKW4507C | |
| 600A |
AKW4508C |
|
額定?性能概要
測量電力(AKW2020G/AKW2110G/AKW2160G)
| 測量項目 | 單位 | 數據范圍(顯示范圍) | |
|---|---|---|---|
| 累計用電量(有功)※1 | kWh / MWh |
?6位顯示時 0.00~9999.99 kWh~9999.99 MWh(0.01 kWh單位) ?9位顯示時 0.00~9999999.99 kWh (0.01 kWh單位) 0.000~999999.999 kWh (0.001 kWh單位) |
|
| 瞬時功率 | 有功※2 | kW | -9999.99 ~ 0.000 ~ 9999.99 |
| 無功※5 | kvar | -9999.99 ~ 0.00 ~ 9999.99 | |
| 視在 | kVA | 0.00 ~ 9999.99 | |
| 電流 | R電流 | A | 0.000 ~ 6000.00 |
| N / S電流 | A | 0.000 ~ 6000.00(計算上的參考值) | |
| T電流 | A | 0.000 ~ 6000.00 | |
| 電壓 | R(RS)電壓 | V | 0.0 ~ 9999.9 |
| S(RT)電壓 | V | 0.0 ~ 9999.9(計算上的參考值) | |
| T(TS)電壓 | V | 0.0 ~ 9999.9 | |
| 電費※3 | 0.00 ~ 999999 | ||
| 二氧化碳換算值 | kg-CO2 | 0.00 ~ 999999 | |
| 功率因數※2 | 本體顯示 | -1.00~1.00(無超前、滯后的識別) | |
| 電源頻率 | Hz | 47.5 ~ 63.0 | |
| 脈沖計數輸入※4 | 0~999999 | ||
| ※1 | KW2G-H可測量再生電力(負電力)。測量再生電力時,累計用電量不進行累計。 |
|---|---|
| ※2 | 測量再生電力時,瞬時功率(有功)、功率因數顯示為負值。 |
| ※3 | 目的在于節能,用于進行自主管理,不能將其用作電費付款計算。 |
| ※4 | 脈沖計數器的顯示位數根據已設置的預定標值而發生變化。 |
| ※5 |
無效電力的+/-(正極/負極)判定是根據輸入測量電壓、輸入測量電流來判斷的。 高次諧波或者波形歪曲的時候,有可能不能正確的判斷。 但是,數值與波形無關,表示測量值。 |
脈沖輸入(AKW2152G)
| 項目 | 數據范圍(顯示范圍) |
|---|---|
| 脈沖計數輸入(※1) | 0~999999 |
※1 脈沖計數器的顯示位數根據已設置的預定標值而發生變化。
模擬量輸入(AKW2182G)
| 項目 | 數據范圍(顯示范圍) |
|---|---|
| 數字轉換值(※1) | -999999~999999 |
※1 數字轉換值的顯示位數根據已設置的小數點位置而發生變化。
計時表規格
| 項目 | 單位 | 數據范圍(顯示范圍) |
|---|---|---|
| OFF時間(※1) | h(Hour) | 0.0~99999.9 |
| ON時間1(※1) | ||
| ON時間2(※1) | ||
| 維護時間(※2) | ||
| 運轉時間 | ||
| ON時間1率 | % | 0.0~100.0 |
| ON時間2率 |
| ※1 | AKW2152G/AKW2182G無法對應。 |
|---|---|
| ※2 | 由于AKW2110G/AKW2160G是脈沖輸入,無法測量維修時間。而且、AKW2182G無法對應。 |
| ※3 | 關于計時表功能,最多可使用1臺擴展單元。 |
本體規格
| 項目 | 規格 |
|---|---|
| 額定工作電壓 | 100-240V AC(施加在基本單元上) |
| 額定頻率 | 50 / 60Hz通用 |
| 額定消耗功率 | 基本單元:6VA、擴展單元(電力測量、模擬量輸入):0.5VA/臺、擴展單元(脈沖輸入):1.0VA/臺(AC240V 25℃) |
| 允許工作電壓范圍 | 85 - 264V AC(額定操作電壓的85%~110%) |
| 允許瞬時停電時間 | 10ms |
| 使用環境溫度 | -10℃ ~ +50℃(保存溫度為?25℃~+70℃) |
| 使用環境濕度 | 30~85%RH(at 20℃, 應無凝露) |
| 顯示方式 |
帶背光燈的LCD(背光燈顏色:綠) 上段:5位(7段1位+16段4位)、下段:6位(7段) |
| 擴展單元連接臺數 | 最多7臺 |
| 停電存儲方式 | EEPROM(改寫次數100萬次以上)存儲內容:各種設定值、各種累計測量值 |
| 本體重量 | 基本單元:185g、擴展單元(電力測量):80g、擴展單元(電力測量+脈沖輸入、模擬量輸入):85g |
輸入規格
功率輸入規格(AKW2020G/AKW2110G/AKW2160G)
| 項目 | 規格 | |
|---|---|---|
|
精度 (不包括CT的誤差) (不包括VT的誤差) |
累計用電量 瞬時功率 電費 二氧化碳換算值 |
±(2.0% F.S.+1digit)以內(at 20℃、額定輸入、額定頻率、功率因數1) ※精度保證范圍:額定電流的10~100% |
| 電流 |
±(1.0% F.S.+1digit)以內(at 20℃、額定輸入、額定頻率、功率因數1) ※精度保證范圍:額定電流的10~100% |
|
| 電壓 | ±(1.0% F.S.+1digit)以內(at 20℃、額定輸入、額定頻率、功率因數1) | |
| 溫度特性 | ±(1.0% F.S.+1digit)以內(-10~50℃的范圍、額定輸入、功率因數1) | |
| 計時表 | ±(0.01%+1digit)(at 20℃)月差:±280秒(參考) | |
| 電源頻率特性 | ±(1.0% F.S.+1digit)以內(額定頻率基準下、頻率±5%變化、額定輸入、功率因數1) | |
脈沖輸入規格(AKW2020G/AKW2152G)
| 項目 | 規格 | |
|---|---|---|
| 輸入模式 | 增計數(固定) | |
| 最高計數速度 | 50kHz / 30Hz(可在設置模式下選擇) | |
|
脈沖輸入 (最小輸入信號寬度) |
0.01ms(50kHz選擇時)/ 16.7ms(30Hz選擇時) ON:OFF比=1:1 | |
| 輸入信號 |
觸點/無觸點(開路集電極) ?短路時阻抗:1kΩ以下 ?短路時殘留電壓:2V 以下 ?開路時阻抗:100kΩ以上 |
|
| 輸出模式 | HOLD(超過計數) | |
| 預設參數設置 | 小數點 | 可設置到小數點后3位 |
| 范圍 | 0.001~100.000(可在設置模式下設置) | |
模擬量輸入規格(僅AKW2182G)
| 項目 | 規格 | |
|---|---|---|
| 輸入點數 | 2通道 | |
| 輸入范圍(可在設置模式下選擇) | 電壓 | 0~5V/1~5V(可在設置模式下選擇) |
| 電流 | 0~20mA/4~20mA(可在設置模式下選擇) | |
| 數字轉換值 | 0~4000(10進制)(※1) | |
| 分辨率 | 1/4000(12bit) | |
| 綜合精度 | ±1%F.S.以下(-10~+50℃) | |
| 輸入阻抗 | 電壓 | 440kΩ |
| 電流 | 125Ω | |
| 絕對最大額定值 | 電壓 | ?0.3 ~+10V |
| 電流 | ?2 ~+30mA | |
| 輸入保護 | 二極管 | |
※1 數字轉換值根據已設置的縮放轉換值而發生變化。此外,模擬量輸入值超過上、下限時,數值維持在上、下限值。
輸出規格
脈沖輸出(晶體管輸出)規格(AKW2020G/AKW2160G)
| 項目 | 規格 |
|---|---|
| 輸出點數 | 1 點 |
| 絕緣方式 | 光耦合器 |
| 輸出形式/輸出容量 | 開路集電極 / 100mA 30V DC |
|
脈寬 (選擇累計有功電能脈沖輸出時) |
1~100ms(可在設置模式下選擇) (※1) |
| ON時最大壓降 | 1.5V以下 |
| OFF時漏電流 | 100μA以下 |
|
脈沖輸出單位 (可在設置模式下選擇) |
0.001kWh/0.01kWh/0.1kWh/1kWh/ 10kWh/100 kWh/功率警報(AL-P)/電流警報(AL-C)/待機功率警報(AL-S)/計數器輸出(Cnt)(※3)/通用輸出(Out)(※4)/錯誤警報輸出(Error) |
| 電平輸出※4 |
ON/OFF輸出、循環輸出、單穩輸出 (可選擇設定模式) |
| 電平輸出ON時間/OFF時間 | 0.1~10.0s(可選擇設定模式) |
| ※1 | 可設定脈沖寬度的基本單元軟件Ver.是AKW2020G Ver.1.01以后的。 |
|---|---|
| ※2 |
其他功能在正常動作下,最小脈沖寬度在1~10ms下處于ON狀態,脈沖輸出周期最大為25ms。 關于可測量的最小脈沖輸出單位,設置時建議設為1秒鐘的輸出脈沖小于40個脈沖。 [計算方法] (脈沖輸出單位:PL-P的值)>(最大測量電力[kW})/(3600[s])×40[脈沖/s]) 脈沖輸出單位:0.001的時候、正確的脈沖輸出最大測量電力為 (3600[s])×40[脈沖/s])×0.001=144kW。 注意事項 (1)每秒鐘超過40個脈沖的情況下,可能會發生錯誤計數。 (2)脈沖輸出單位下計數器短時間接續OFF,PLC(可編程控制器)可能會發生錯誤計算。 |
| ※3 | 計算輸出僅限基本單元規格。 |
| ※4 | 使用電平輸出功能時,有必要更改通信輸出狀態(ON,OFF)。同時,輸出的ON時間、OFF時間在0.1秒以下不能動作。 |
通信規格
| 項目 | 規格 | |
|---|---|---|
| RS485通信 | USB通信※5 | |
| 通信協議 | MEWTOCOL/MODBUS(RTU)(可在設置模式下選擇) | - |
| 通信功能 | - | 計算機鏈接(MEWTOCOL) |
| 絕緣類型 | 與內部電路絕緣 | 與內部電路絕緣 |
| 連接臺數 | 99臺(最大)※1、2 | - |
| 傳輸距離 | 1200m※3 | - |
| 傳輸速度 | 2400/4800/9600/19200/38400/57600/115200bps(可在設置模式下選擇) | 12Mbps(Full‐Speed) |
| 傳輸格式 |
數據長度:8bit/7bit(可在設置模式下選擇)※ 奇偶校驗:無/奇數/偶數(可在設置模式下選擇) 停止位:1bit/2bit(可在設置模式下選擇) |
- |
| 通信方式 | 半雙工 | - |
| 同步方式 | 起止同步方式 | - |
| 終端電阻 | 約120Ω(內置) | - |
※1 計算機方面的RS485設備建議使用Lineeye公司生產的SI-35、SI-35USB。
※2 使用SI-35、SI-35USB、本公司生產的PLC(可連接99臺的機型)時,最多可連接99臺使用(但是,連接C-NET適配器時,最多可使用32臺)。
混有上述以外的機器時,最多可連接31臺使用。
※3 連接帶有RS485接口的市售機器時,請通過實際機器進行確認。連接臺數、傳輸距離、傳輸速度可能會因所連接的機器與傳輸線而異。
※4 MODBUS(RTU)協議下,僅數據長8bit動作。
※5 使用USB端口的情況下,請安裝專用的USB驅動。
本體存儲器規格(AKW2020G)
| 項目 | 規格 | ||
|---|---|---|---|
| 記錄功能 |
文件類型1 (瞬時値) (注1) |
保存周期 | 15分(毎天00時00分00秒)(固定) |
| 保存數據 |
(瞬時值)累計用電量[1][2]、瞬時有功功率[1][2]、瞬時無功功率[1][2]、瞬時視在功率[1][2]、電流R[1]、電流R(T)[2]、電流S(N)、 電壓[1](R/RS)、電壓R[2](T/TS)、電壓RT、功率因數[1][2]、電源頻率、計數器值、 CH0數字轉換值、CH1數字轉換值、CH0脈沖計數值、CH1脈沖計數值 |
||
| 保存數據量 | 每個文件 96個記錄(最多約8天) | ||
|
文件類型2 (差分値) (注1) |
保存周期 | 15分(毎天00時00分00秒)(固定) | |
| 保存數據 | (差分值)累計用電量[1][2]、計數值、CH0脈沖計數值、CH1脈沖計數值 | ||
| 保存數據量 | 每個文件 96個記錄(最多約8天) | ||
|
文件類型3 (瞬時值詳情) (注1) |
保存周期 |
在1分鐘、5分鐘、10分鐘、15分鐘、30分鐘、60分鐘中選擇 (保存時間) 選擇1分鐘時:毎分鐘的00秒 選擇5分鐘時:毎小時的00,05,10,15,20,25,30…分 選擇10分鐘時:毎小時的00,10,20,30,40,50分 選擇15分鐘時:毎小時的00,15,30,45分 選擇60分鐘時:毎小時的00分 |
|
| 保存數據 |
累計用電量[1][2]、瞬時有功功率[1][2]、瞬時無功功率[1][2]、瞬時視在功率[1][2]、電流R[1]、電流R(T)[2]、電流S(N)、 電壓[1](R/RS)、電壓R[2](T/TS)、電壓RT、功率因數[1][2]、電源頻率、計數器值、 CH0數字轉換值、CH1數字轉換值、CH0脈沖計數值、CH1脈沖計數值 |
||
| 保存數據量 | 最多720記錄約12小時(保存周期為1分鐘時) | ||
| 本體顯示 | 每天的累計用電量(最新8天)/每小時的累計用電量(最新12小時) | ||
| 日歷/時鐘功能 | 時鐘精度月差 ±30秒(25℃下) | ||
| 電池備份內容 | 時鐘測量、記錄數據保持 | ||
| 電池壽命(注2) | 約2年(使用環境溫度25℃下、未通電時) | ||
| (注1) | 文件類型1、2、3分別可通過設置模式來選擇是否將數據寫入SD存儲卡。按照單元生成文件。 |
|---|---|
| (注2) | 保存的累計電量以0.01kWh為單位進行數據存儲(0.00~9999999.99kWh)。不能夠保存0.001kWh單位的累計電量。 |
| (注3) |
電池余量減少時,“BATT”顯示將會閃爍。請按照電池更換步驟進行更換。另外,在高溫條件下使用本體時,壽命將會縮短。 ※ 如在測量過程中,則將數據保存到本體存儲器內,達到本體存儲器的容量時,將從測量日期較早的數據開始依次進行覆蓋。可對本體存儲器進行初始化。 |
外部存儲器規格(AKW2020G)
?SD卡插槽
| 項目 | 規格 |
|---|---|
| 支持媒介 | SD存儲卡(注1) |
| 對應格式標準 | 依據SD或SDHC基準 (注2) |
| ※1: | 已完成動作確認的存儲卡:松下(株)SD/SDHC存儲卡2GB、4GB,Class 4以上。 |
|---|---|
| ※2: | 不對應UHS規格對應的SDHC存儲卡。已確認動作的SD存儲卡之外的使用場合,可能會有SD存儲卡無法寫入日志數據的情況。 |
SD卡的使用注意事項
存儲卡在使用前請進行格式化。
| (注1) |
對SD卡進行格式化時,請從Panasonic主頁上下載格式化軟件,然后進行格式化操作。 http://panasonic.jp/support/sd_w/download 利用計算機上的一般軟件進行格式化后的SD存儲卡,其文件系統不符合SD存儲卡規格。 |
|---|---|
| (注2) |
出現以下情況時,SD卡內所保存的數據可能會出現丟失。對于保存數據的損失及其他直接、或者間接性損害,本公司概不承擔任何責任,敬請諒解。 1) 用戶或者第三方錯誤使用SD卡時 2) SD卡受到靜電、電氣性干擾的影響時 3) 本體的SD卡訪問LED正在閃爍時(正在寫入數據),取出存儲 卡或者關閉本體電源時 * 建議將重要數據保存至其他媒介,并經常進行備份。 |
| (注3) |
SD存儲卡請在常插入狀態下使用。 * 未插入狀態時,內部存儲器只能保存8天的數據日志。 |
| (注4) |
KW2G-H生成的文件夾內的數據日志請定期刪除或者轉移到別的文件夾里。(基準:常插入狀態在1個月的程度) 或者,插入SD存儲卡的時候,KW2G-H生成的文件夾內的數據日志請盡量刪除。 |
| (注5) | 定期檢查等關閉本產品電源的時候,請將SD存儲卡取出。關閉電源時不拆除,SD存儲卡在存儲中關閉電源可能會導致SD存儲卡故障或者本產品故障。 |
| (注6) | 電源再通電時,內部存儲器的數據日志內容會顯示25分鐘左右的SD存儲卡存儲,并不是故障,請注意。 |
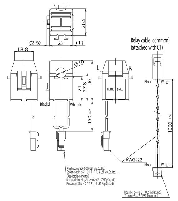
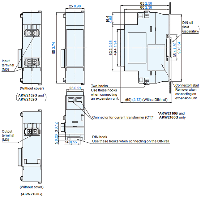
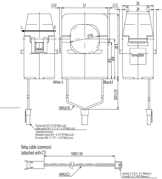
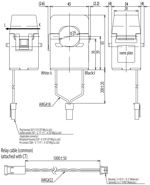
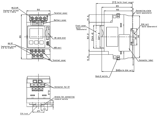
尺寸圖
- 單位mm
(基本單元)AKW2020G
|
(擴展單元)AKW2110G/AKW2160G/AKW2152G/AKW2182G
|
(專用電流傳感器CT 分割型 5A/50A 用)AKW4801C
|
|
(專用電流傳感器CT 分割型 100A 用)AKW4802C
|
|
(專用電流傳感器CT 分割型 250A 用)AKW4803C
|
|
(專用電流傳感器CT 分割型 400A 用)AKW4804C
|
|
(專用電流傳感器CT 分割型 600A 用)AKW4808C
|
|
(專用電流傳感器CT 貫通型 50A/100A 用)AKW4506C
|
|
(專用電流傳感器CT 貫通型 250A/400A、600A 用)AKW4507C、AKW4508C
|
|
端子配列
請在參照端子排列?接線圖的基礎上正確、切實地對端子進行接線。
接線完成后、為安全起見,請務必安裝好附帶的端子蓋。
|
|
|
|
|
接線圖
|
|
配線上的注意事項
- 1.測量電壓輸入(操作電源)端子螺釘(M3.5)的鎖緊扭矩為0.8~1.0N?m、其他的端子螺釘(M3)請使用0.5~0.6N?m鎖緊扭矩來擰緊端子螺釘,避免發生松動。使用壓接端子時、請使用適合螺釘的帶絕緣套管的壓接端子。
- 2.測量電壓輸入(操作電源)端子中未內置電源開關、斷路器以及保險絲。請務必另外設置這些裝置。
- 3.測量電壓輸入(操作電源)端子的配線、建議使用橫截面積0.75~1.25mm2(AWG18~16)的電線。
- 4.入的配線入力10m以下、請使用輸出的配線為100m以下。過長容易受懸浮容量的影響,導致無法正常運行。
- 5.請使用不易燃的電線(UL線等)。
|
可選件
您可在相應的表中找到合適型號的可選件。
1.可選件
|
2.專用電流互感器(CT)
| ※ | 專用電流互感器(CT)為電路電壓440V以下低壓專用產品。高壓電路無法使用。 |
|---|---|
| ※ | 使用除AKW8115和KW9M外的各種電力監控表測量高壓電路的情況下,需要組合使用高壓電路用市售2次邊電流為5A的CT和5A用專用CT(AKW4801C),因此請務必準備AKW4801C。詳情請參照各個產品的用戶手冊等。 |
| ※ |
使用AKW8115和KW9M測量的情況下,不能使用專用CT,因此請注意不要錯誤地購買專用CT。 AKW8115和KW9M的電流互感器(CT)推薦使用URD制造的(分割型CT CTL-CL系列)產品,因此請事先確認規格。 |
| ※ | 電力監控表中并不附帶各種專用電流互感器(CT)。 |
| ※ | 各種專用電流互感器(CT)中分別附帶有1m規格的延長電纜。 |
|
品種
|
AKW8115和KW9M不使用專用CT 。 |
|---|
| 額定1次側電流 | 訂貨產品號 | |
|---|---|---|
|
分 割 型 |
5A/50A | AKW4801C |
| 100A | AKW4802C | |
| 250A | AKW4803C | |
| 400A | AKW4804C | |
| 600A※2 | AKW4808C | |
|
貫 通 型 |
50A/100A | AKW4506C |
| 250A/400A | AKW4507C | |
| 600A※2 | AKW4508C | |
| ※1 |
除AKW8115和KW9M外,請務必根據配電方式進行選購。 |
|---|---|
| ※2 |
600A CT適用的電力監控表可以使用AKW4808C和AKW4508C。 |
規格
分割型
| 項目 | AKW4801C | AKW4802C | AKW4803C | AKW4804C | AKW4808C |
|---|---|---|---|---|---|
| 1次側額定電流 | 5A/50A | 100A | 250A | 400A | 600A |
| 2次側額定電流 | 1.67mA/16.7mA | 33.3mA | 125mA | 200mA | 200mA |
| 繞組數 | 3000 : 1 | 3000 : 1 | 2000 : 1 | 2000 : 1 | 3000 : 1 |
| 比誤差 | ±2.0%F.S. | ||||
| 貫通孔 | φ10mm | φ16mm | φ24mm | φ36mm | φ36mm |
| 耐電壓(初始) |
AC1000V/1min (貫通孔與輸出導線之間) |
AC2000V/1min (貫通孔與輸出導線之間) |
|||
| 絕緣電阻(初始) | 100MΩ以上(DC500V)(貫通孔與輸出導線之間) | ||||
| 誤動作振動 | 10~55Hz(周期1分鐘)片振幅0.15mm(上下、左右、前后各方向10分鐘) | ||||
| 耐久振動 | 10~55Hz(周期1分鐘)片振幅0.375mm(上下、左右、前后各方向1小時) | ||||
| 誤動作沖擊 | 98m/s2以上(上下、左右、前后各方向4次) | ||||
| 耐久沖擊 | 294m/s2以上(上下、左右、前后各方向5次) | ||||
| 輸出保護 | 帶±7.5V夾具元件 | 帶±3.0V夾具元件 | |||
| 允許安裝拆卸次數 | 約100次 | ||||
| 使用溫度范圍 | -10~+50°C(但,應無結冰和凝露) | ||||
| 保存溫度 | -20~+60°C(但,應無結冰和凝露) | ||||
| 使用環境濕度 | 35~85%RH(at20°C,應無凝露) | ||||
|
重量 (含中繼電纜) |
約60g | 約90g | 約200g |
約295g |
約450g |
貫通型
| 項目 | AKW4506C | AKW4507C | AKW4508C | |
|---|---|---|---|---|
| 1次側額度電流 | 50A/100A | 250A/400A | 600A | |
| 2次側額定電流 | 16.7mA/33.3mA | 125mA/200mA | 200mA | |
| 繞組數 | 3000 : 1 | 2000 : 1 | 3000 : 1 | |
| 誤差比 | ±1.0%F.S. | |||
| 貫通孔 | Φ17mm | Φ36mm | ||
| 耐電壓(初始) |
AC1000V/1min (貫通孔與輸出導線之間) |
AC2000V/1min (貫通孔與輸出導線之間) |
||
| 絕緣電阻(初始) | 100MΩ以上(DC500V)(貫通孔與輸出導線之間) | |||
| 誤動作振動 | 10~55Hz(周期1分鐘)片振幅0.15mm(上下、左右、前后各方向10分鐘) | |||
| 耐久振動 | 10~55Hz(周期1分鐘)片振幅0.375mm(上下、左右、前后各方向1小時) | |||
| 誤動作沖擊 | 98m/s2以上(上下、左右、前后各方向4次) | |||
| 耐久沖擊 | 294m/s2以上(上下、左右、前后各方向5次) | |||
| 輸出保護 | 帶±7.5V夾具元件 | 帶±3.0V夾具元件 | ||
| 允許安裝拆卸次數 | - | |||
| 使用溫度范圍 | -10~+50℃(但,應無結冰和凝露) | |||
| 保存溫度 | -20~+60℃(但,應無結冰和凝露) | |||
| 使用環境濕度 | 35~80%RH(at20°C,應無凝露) | |||
|
重量 (含中繼電纜) |
約70g | 約200g | 約215g | |















科恩電氣
科恩眾和