激光式線性傳感器 LA系列LA-510
無需安全措施的“1級”激光,可在廣闊的區域實現高精度檢測。
- 基本信息
- 產品種類
- 詳細規格
- 產品尺寸
- 產品用途
- 可選件
無需安全措施的“1級”激光
|
|
|
CE 、FDA 已取得。
CE : EMC指令
FDA : 僅限LA-511
特點
無需安全措施
由于光源使用“1級”激光(JIS及IEC標準),所以無需采取JIS及IEC標準所規定的防護用具等安全措施。
可在廣闊的區域實現高精度檢測
|
可實現檢測區域15×500mm, 最小檢測物體φ0.1mm,重復精度達10μm以下的高精度檢測。 |
|
安裝方向自由
|
裝上側視界附件(另售)后,可進行各種方式的安裝。 |
|
FDA規則Ⅰ級型 LA-511
還備有符合FDA規則的產品(Ⅰ級型)LA-511。
裝備光軸調節監視器
|
監視器會向最佳位置引導,因此即使非可視光也能輕易調節。 |
|
種類
規格
激光式線性傳感器
| 種類 | 1級型 | ||
| 適用標準/規則 | JIS/IEC | FDA | |
| 型號 | LA-510 | LA-511 | |
| 檢測寬度 | 15mm | ||
| 檢測距離 | 500mm | ||
| 最小檢測物體 | φ0.1mm不透明體 | ||
| 重復精度 | 10μm以下 | ||
| 電源電壓 | 12?24V DC±10% 脈動P-P10%以下 | ||
| 消耗電流 | 投光器:35mA以下、受光器:25mA以下 | ||
| 比較輸出 |
NPN開路集電極晶體管 ?最大流入電流:100mA ?外加電壓:30V DC以下(比較輸出和0V之間) ?剩余電壓:1V以下(流入電流為100mA時) 0.4V以下(流入電流為16mA時) |
||
| 反應時間 | 0.5ms以下 | ||
| 輸出動作 | 比較值的設定值以下時ON | ||
| 短路保護 | 配備 | ||
| 模擬輸出 |
模擬電壓 ?輸出電壓:1V(全遮光時)?5V(全入光時) ?輸出阻抗:75Ω |
||
| 通過速率 | 8V/ms以上 | ||
| 溫度特性 | ±0.1%F.S./℃以內(使用環境溫度+20℃時的檢測距離為基準) | ||
| 遙控聯鎖輸入 | 連接0V時激光投光、開路或者連接+V時激光投光停止 | ||
| 指示燈 | 動作指示燈 | 紅色LED(比較輸出ON時亮起) | |
| 激光投光警示燈 | 紅色LED(激光投光時亮起) | ||
| 穩定入光指示燈 | 綠色LED(穩定入光時亮起) | ||
| 光軸調節指示燈 | 黃色LED×4(光軸偏移時亮起) | ||
| 調節功能 | 比較值調整 | 調節比較輸出的比較值,配備18圈無限制調節器 | |
| 量程調整 | 調節模擬電壓輸出的量程、裝備18圈無限制調節器 | ||
| 環境性能 | 使用環境溫度 | 0?+50℃(注意不可結露)、存儲時:-20?+70℃ | |
| 使用環境濕度 | 35?85%RH、存儲時:35?85%RH | ||
| 使用環境照度 | 白熾燈: 受光面照度10,000lx以下 | ||
| 絕緣電阻 | 所有電源連接端子與外殼之間,20MΩ以上,基于DC250V的高阻表 | ||
| 耐振動 | 頻率10?55Hz 雙向振幅1.5mm XYZ各方向2小時 | ||
| 耐沖擊 | 加速度500m/s2(約50G) XYZ各方向3次 | ||
| 投光元件 | 赤外半導體激光(最大輸出:1.7mW、投光波峰波長:780nm) | ||
| 外殼接地方式 | C(電容器)接地 | ||
| 材質 | 外殼:鋅壓鑄件、頂罩:PPO、正面防護罩:玻璃 | ||
| 電纜 | 0.2mm2 5芯(投光器為4芯)合成電纜,長3m | ||
| 電纜延長(注2) | 使用0.3mm2以上的電纜時,投光器和受光器的全長均可延長至50m(同步線不可延長) | ||
| 重量 | 本體重量:投光器約290g(受光器 約280g) | ||
| 附件 |
MS-LA1(傳感器安裝支架):投光用、受光用2個1套 調整螺絲刀:1把 壓接端子:2個 1級產品標簽:1塊(僅LA-510) 檢查書:1張(僅LA-511) |
||
(注1):無指定的測量條件為使用環境溫度=+20℃。(注2):LA-510及LA-511是符合EMC指令和CE標志的產品。本產品適用的有關抗干擾的歸并標準為EN61000-6-2,為了符合該標準必須滿足下列條件。
- LA-510是符合JIS/IEC標準的1級激光產品。該產品存在一定危險,請勿通過透鏡等觀察光學系統進行觀察。
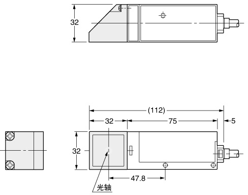
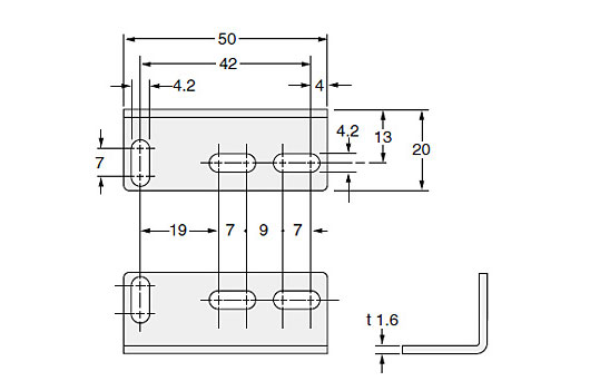
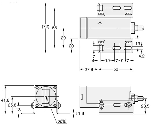
尺寸圖
- 單位mm
LA-510
LA-511
|
|
MS-LA1
|
|
LA-SV1
|
|
用途
|
|
|
可選件
| (注1): | 投光器或受光器請僅安裝一個。如果2個都裝,光軸調節指示燈可能會不能完全熄滅。 |
|---|---|
| (注2): | CA2系列的詳情請參閱CA2系列的詳情請參閱 |
|
|
















科恩電氣
科恩眾和