LED式線性傳感器 LA-300系列放大器LA-A1
LED線性傳感器與激光傳感器一樣精確,但更安全,簡易光軸對齊。
- 基本信息
- 產品種類
- 詳細規格
- 產品尺寸
- 產品用途
- 可選件
LED線性傳感器與激光傳感器一樣精確,但更安全
|
|
CE 已取得。
CE : EMC指令
特點
安全的紅色LED光
由于采用了安全的紅色LED作為光源,對眼睛無害,所以無需遵從激光安全守則。 而且,由于紅色LED光源的測定光點容易看見,使物體定位簡單。
簡易光軸對齊
|
使用光軸調整標簽(附件)。使光軸對齊簡單。而且在放大器上的3級穩定指示燈指示入光水平,一目了然。 |
|
兩個比較輸出加一個模擬輸出
除了1~5V的模擬輸出還裝備了兩個比較輸出(HIGH,LOW)。
外部同步
外部輸入可以控制比較輸出的同步性和持久有效性。(有微分同步或期間同步可供選擇)
小型尺寸
|
投光器與受光器比放大器內置型(LA-510)更小。因此可以安裝在自動裝配機器等的狹小空間內。 |
|
幅度及移位調整
|
模擬輸出除了裝備有幅度調整功能外,還有使模擬電壓可在±0.5V范圍內進行轉換的移位調整功能。 |
|
種類
檢測頭
| 種類 | 形狀 | 檢測距離 | 檢測寬度 | 最小檢測物體 | 型號(注1) |
|---|---|---|---|---|---|
| 薄型 |
|
300mm | 5mm | φ0.05mm不透明體 | LA-305 |
| (注1): |
產品銘牌上的型號名稱為"P"的為投光器,"C"為受光器。 (例)LA-305的投光器為LA-305P、LA-305的受光器為LA-305D |
|---|
放大器
| (注): | 請配套使用檢測頭和放大器。 |
|---|
配件(另售)
|
規格
檢測頭
| 種類 | 超薄型 | |
| 型號 | LA-305 | |
| 適用放大器 | LA-A1、LA-A1P | |
| 檢測寬度 | 5mm | |
| 檢測距離 | 300mm | |
| 最小檢測物體 | φ0.05mm不透明體 | |
| 重復精度 | 垂直于檢測軸: 0.01mm以下 | |
| 溫度特性 | 0.2% F.S./℃以下 | |
|
環 境 性 能 |
使用環境溫度 | 0?+40℃(注意不可結露)、存儲時:-20?+70℃ |
| 使用環境濕度 | 35?85%RH、存儲時:35?85%RH | |
| 使用環境照度 | 白熾燈: 受光面照度10,000lx以下 | |
| 耐電壓 | AC1,000V 1分鐘 所有電源連接端子與外殼之間 | |
| 絕緣電阻 | 所有電源連接端子與外殼之間,20MΩ以上,基于DC250V的高阻表 | |
| 耐振動 | 頻率10?150Hz 雙向振幅0.75mm XYZ各方向2小時 | |
| 耐沖擊 | 加速度500m/s2(約50G) XYZ各方向3次 | |
| 投光元件 |
紅色LED (投光波峰波長:650nm、調制式) |
|
| 材質 |
本體外殼:耐熱ABS、 罩:耐熱ABS、 前罩:玻璃 |
|
| 電纜 | 0.18mm2 3芯合成橡皮電纜,長2m | |
| 電纜延長 | 0.18mm2以上的電纜線延長至10m,用于投光器和受光器(屏蔽電線必須由屏蔽電線延長) | |
| 本體重量 | 投?受光器各約70g | |
| 附件 | MS-LA3-2(檢測頭安裝支架):2套適用于投光器和受光器光軸調整封條:2個 | |
(注1):無指定時的測量條件為使用環境溫度+20℃。
放大器
| 種類 | NPN輸出 | PNP輸出 | |
| 型號 | LA-A1 | LA-A1P | |
| 適用檢測頭 | LA-305 | ||
| 電源電壓 | 12?24V DC±10% 脈動P-P10%以下 | ||
| 消耗電流 | 120mA以下(含檢測頭) | ||
|
比較輸出 (HIGH、LOW) |
NPN開路集電極晶體管 ?最大流入電流:100mA ?外加電壓:30V DC以下(比較輸出和0V之間) ?剩余電壓:1.5V以下(流入電流為100mA時) 0.5V以下(流入電流為16mA時) |
PNP開路集電極晶體管 ?最大流出電流:100mA ?外加電壓:30V DC以下(比較輸出和+V之間) ?剩余電壓:1.5V以下(源電流為100mA時) 0.5V以下(源電流為16mA時) |
|
| 反應時間 | 0.5ms以下 | ||
| 輸出動作 |
HIGH輸出:入光量等于或低于HIGH(過暗)水平時ON LOW輸出:入光量等于或高于LOW(次暗)水平時ON |
||
| 短路保護 | 配備 | ||
| 模擬輸出 |
模擬電壓 ?輸出電壓:1V(全遮光時)?5V(全入光時) ?輸出阻抗:75Ω |
||
| 通過速率 | 8V/ms以上 | ||
| 溫度特性 | 0.05% F.S./℃以下 | ||
| 外部同期功能 | 裝備 (可在微分同步或期間同步之間切換選擇) | ||
|
指 示 燈 |
電源 | 綠色LED(通電時亮起) | |
| 穩定入光 | 綠色LED×3(根據受光數量,分3級亮起) | ||
| 動作 | 橙色LED×2(HIGH/LOW各比較輸出ON時亮起) | ||
| 外部同期輸入 | 綠色LED(比較輸出有效時點燈) | ||
|
調 節 功 能 |
幅度 | 15回轉調節器,為模擬輸出電壓設定幅度 | |
| 移位 | 15回轉調節器,為模擬輸出電壓設定偏距 | ||
| HIGH(過暗)水平 | 15回轉調節器,設定HIGH輸出基準值(過暗時)水平 | ||
| LOW(次暗)水平 | 15回轉調節器,設定LOW輸出基準值(次暗時)水平 | ||
|
環 境 性 能 |
使用環境溫度 | 0?+50℃(注意不可結露)、存儲時:-20?+70℃ | |
| 使用環境濕度 | 35?85%RH、存儲時:35?85%RH | ||
| 耐電壓 | AC1,000V 1分鐘 所有電源連接端子與外殼之間 | ||
| 絕緣電阻 | 所有電源連接端子與外殼之間,20MΩ以上,基于DC250V的高阻表 | ||
| 耐振動 | 頻率10?150Hz 雙向振幅0.75mm XYZ各方向2小時 | ||
| 耐沖擊 | 加速度500m/s2(約50G) XYZ各方向3次 | ||
| 材質 |
外殼:耐熱ABS、端子罩:耐熱ABS、 顯示罩:聚碳酸酯 |
||
| 電纜 | 0.22mm2(屏蔽電線0.15mm2) 7芯橡皮電纜,長2m | ||
| 電纜延長(注2) |
0.22mm2以上的電纜全長可延長至50m (屏蔽電線延長用0.15mm2以上屏蔽電線) |
||
| 重量 | 本體重量:約200g | ||
| 附件 | 調整螺絲刀:1本 | ||
(注1):無指定時的測量條件為使用環境溫度+20℃。(注2):這是一款符合EMC指令適用品。此產品在免疫力方面的標準符合EN 61000-6-2,同時下列條件也符合此標準。
?放大器與電源之間的連接距離應在10m以下。
?連接放大器的信號線應在30m以下。
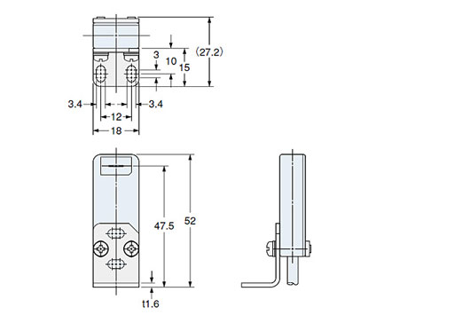
尺寸圖
- 單位mm
LA-305
|
|
LA-A1P
放大器
|
MS-LA3-2
LA-305用檢測頭安裝支架(LA-305附帶)
|
MS-LA3-2
安裝圖
|
用途
|

















科恩電氣
科恩眾和