熱熔膠檢測傳感器 TH系列TH-11CS
非接觸式高速檢測熱熔膠
- 基本信息
- 產品種類
- 詳細規格
- 產品尺寸
- 產品用途
- 可選件
非接觸式高速檢測熱熔膠
|
※1
|
| ※1 | EMC指定適用 (僅TH-12CPS) |
|---|
特點
小型檢測頭
|
W18×H33×D23mm的小型檢測頭,可安裝在復雜機械的狹窄場所。配備紅色指示器,可以一邊確認工件中顯示的檢測點,一邊進行設定。 |
|
適用于高速生產線
實現反應時間1ms以下(注1)的高速反應,在高速裝箱生產線的速度下也能檢測熱熔膠。 (注1):長距離型為檢測距離200mm以下時。
微小熱熔膠也能可靠檢測
|
光點型能可靠檢測φ3mm·85℃以上的熱熔膠,長距離型能可靠檢測φ6mm(相當于3×10mm)·100℃以上的熱熔膠。 |
|
教導式、設定簡單
靈敏度設定采用教導方式,可簡單設定最佳靈敏度。而且,在箱子通過的同時進行教導,可邊操作機械邊設定。
配備3個判定熱熔膠涂抹狀態的功能
■靈敏度等級設定功能
?熱熔膠涂抹量的判定
可分10級調節教導后的設定靈敏度水平的功能。由此可進行微調,以檢測涂抹量較多的熱熔膠、不檢測涂抹量較少的熱熔膠。
■有無判定功能
?熱熔膠有無的判定
將通過箱子的同步信號輸入控制器,在箱子通過時只需檢測少量熱熔膠即可獲得“OK”判定結果的功能。有無判定功能熱熔膠有無的判定
(注1):使用該功能時,需要外部同步信號(箱子的通過信號)。
■長度判定功能
?熱熔膠的長度判定
檢測箱子上涂抹的熱熔膠的長度,進行良否判定的功能。將箱子通過的同步信號輸入控制器進行判定,即使生產線速度發生變化,也能跟蹤變化進行判定。
|
種類
規格
傳感器
| 型號 | TH-11 | |
| 適用控制器 | TH-C1 | |
| 檢測距離 | 40±10mm | |
| 檢測物體 | φ3mm以上且+85℃以上的熱熔膠(放射率0.9) 使用環境溫度=+25℃時(注2) | |
|
環 境 性 能 |
使用環境溫度 | 0~+50℃(注意不可結露),存儲時:-10~+60℃ |
| 使用環境濕度 | 35~85%RH,存儲時:35~85%RH | |
| 使用環境照明度 | 白熾燈:受光面照明度3,500lx以下 | |
| 耐振動 | 頻率10~55Hz 雙振幅1.5mm X,Y和Z方向各2小時 | |
| 耐沖動 | 加速度500m/s2(約50G) X,Y和Z方向各3次 | |
| 光軸指示器 | 紅色LED | |
| 材質 | 外殼:聚碳酸酯,前罩:藍寶石玻璃 | |
| 電纜 | 0.2mm23芯屏蔽電纜,長2m | |
| 重量 | 本體重量:約77g | |
| 附件 | MS-TH-1(檢測頭安裝支架):1個、TH-B1(隔熱罩):1個 | |
(注1):無指定時的測量條件為使用環境溫度=+20℃。
(注2):φ5mm以上時,也可檢測+60℃以上的熱熔膠。
控制器
| 型號 | TH-C1 | |
| 適用檢測頭 | TH-11 | |
| 電源電壓 | 12~24V DC±10% 脈動P-P10%以下 | |
| 消耗電流 | 100mA以下 | |
|
輸出 (輸出1、輸出2) |
NPN開路集電極晶體管 ?最大流入電流:100mA ?外加電壓:30V DC以下(輸出和0V之間) ?剩余電壓:1V以下(流入電流為100mA時) 0.4V以下(流入電流為16mA時) |
|
| 輸出動作 | 輸出1:熱熔膠檢測時ON(最長約1s)、輸出2:判定NG時ON(最長約1s) | |
| 短路保護 | 配備 | |
| 反應時間(動作頻率) | 1ms以下(1?200Hz) | |
| 預熱時間 | 約40s | |
| 靈敏度設定方式 | 教導方式(按鈕式) | |
| 存儲功能 | 保存8個通道的設定值 | |
| 外部通道切換功能 | 配備 | |
| 定時器功能 | 裝備約40ms固定斷開延遲定時器 有效/無效切換式 | |
|
環 境 性 能 |
使用環境溫度 | 0~+50℃(注意不可結露),存儲時:-10~+60℃ |
| 使用環境濕度 | 35~85%RH,存儲時:35~85%RH | |
| 耐電壓 | AC1,000V 1分鐘 所有電源連接端子與外殼之間 | |
| 絕緣電阻 | 所有電源連接端子與外殼之間,20MΩ以上,基于DC250V的高阻表 | |
| 耐振動 | 頻率10~55Hz 雙振幅0.75mm X,Y和Z方向各2小時 | |
| 耐沖擊 | 加速度500m/s2 (約50G) X,Y和Z方向各3次 | |
| 材質 | 外殼:耐熱ABS,端子罩:耐熱ABS,顯示罩:聚碳酸酯 | |
| 電纜 | 0.3mm2 8芯橡皮電纜,長2m | |
| 電纜延長 | 0.3mm2以上的電纜全長可延長至100m | |
| 重量 | 本體重量:約200g | |
注1):無指定時的測量條件為使用環境溫度=+20℃。
TH-12CS TH-12CPS 長檢測距離型
檢測頭
| 型號 | TH-12 | |
| 適用控制器 | TH-C2、TH-C2P | |
| 檢測距離 | 10?300mm(注2) | |
| 檢測物體 | φ6mm(相當于3×10mm)以上且+100℃以上的熱熔膠(放射率0.9) 使用環境溫度=+25℃時 | |
|
環 境 性 能 |
使用環境溫度 | 0~+50℃(注意不可結露),存儲時:-10~+60℃ |
| 使用環境濕度 | 35~85%RH,存儲時:35~85%RH | |
| 使用環境照明度 | 白熾燈:受光面照明度3,500lx以下 | |
| 耐振動 | 頻率10~55Hz 雙振幅1.5mm X,Y和Z方向各2小時 | |
| 耐沖擊 | 加速度500m/s2(約50G) X,Y和Z方向各3次 | |
| 輸出1工作狀態指示燈 | 紅色LED[熱熔膠檢測時亮起(最長約1s)] | |
| 材質 | 外殼:聚碳酸酯,指示燈:聚碳酸酯,透鏡:硅 | |
| 電纜 | 0.2mm2 5芯屏蔽電纜,長2m | |
| 重量 | 本體重量:約120g | |
| 附件 | MS-TH-2(檢測頭安裝支架):1個、TH-B2(隔熱罩):1個、OS-TH12(狹縫透光罩):1個 | |
(注1):無指定時的測量條件為使用環境溫度=+20℃。
(注2):可教導的檢測距離。但,檢測距離因檢測物體的大小和溫度、使用環境溫度等而異。
控制器
| 種類 | NPN輸出型(TH-12CS用) | PNP輸出型(TH-12CPS用) | |
| 型號 | TH-C2 | TH-C2P | |
| 適用檢測頭 | TH-12 | ||
| 電源電壓 | 12~24V DC±10% 脈動P-P10%以下 | ||
| 消耗電流 | 100mA以下 | ||
|
輸出 (輸出1、輸出2) |
NPN開路集電極晶體管 ?最大流入電流:100mA ?外加電壓:30V DC以下(輸出和0V之間) 剩余電壓:1V以下(流入電流為100mA時) 0.4V以下(流入電流為16mA時) |
PNP開路集電極晶體管 ?最大源電流:100mA ?外加電壓:30V DC以下(輸出和+V之間) ?剩余電壓:2V以下(源電流為100mA時) |
|
| 輸出動作 | 輸出1 :熱熔膠檢測時ON(最長約1s)、輸出2 :判定NG時OFF(最長約1s) | ||
| 短路保護 | 配備 | ||
| 反應時間(動作頻率) | 檢測距離200mm以下:1ms以下(1~200Hz)、檢測距離300mm以下:1.5ms以下(1~100Hz) | ||
| 預熱時間 | 約40s | ||
| 靈敏度設定方式 | 教導方式(按鈕式) | ||
| 存儲功能 | 保存8個通道的設定值 | ||
| 外部通道切換功能 | 配備 | ||
| 定時器功能 | 裝備約40ms固定斷開延遲定時器 有效/無效切換式 | ||
|
環 境 性 能 |
使用環境溫度 | 0~+50℃(注意不可結露),存儲時:-10~+60℃ | |
| 使用環境濕度 | 35~85%RH,存儲時:35~85%RH | ||
| 耐電壓 | AC1,000V 1分鐘 所有電源連接端子與外殼之間 | ||
| 絕緣電阻 | 所有電源連接端子與外殼之間,20MΩ以上,基于DC250V的高阻表 | ||
| 耐振動 | 頻率10~55Hz 雙振幅1.5mm X,Y和Z方向各2小時 | ||
| 耐沖擊 | 加速度500m/s2(約50G) X,Y和Z方向各3次 | ||
| 材質 | 外殼:耐熱ABS,端子罩:耐熱ABS,顯示罩:聚碳酸酯 | ||
| 電纜 | 0.3mm2 8芯橡皮電纜,長2m | 0.3mm2 8芯橡皮電纜,長1m | |
| 電纜延長 | 0.3mm2以上的電纜全長可延長至100m | ||
| 重量 | 本體重量:約200g | 本體重量:約140g | |
(注1):無指定時的測量條件為使用環境溫度=+20℃。
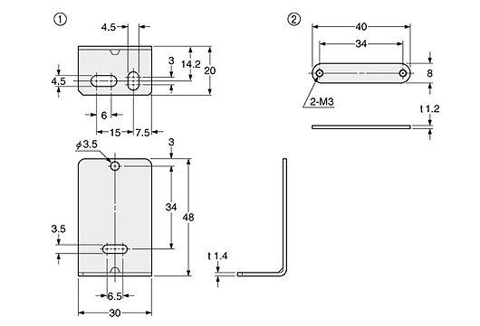
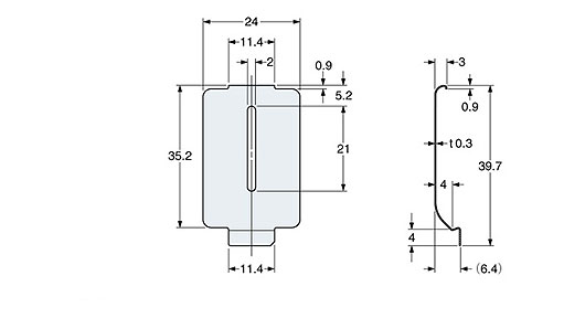
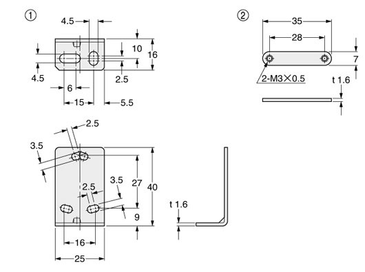
尺寸圖
- 單位mm
TH-11CS
光點型
檢測頭/TH-11
|
|
TH-12CS
TH-12CPS
長檢測距離型
檢測頭/TH-12
|
|
MS-TH-1
光點型用檢測頭安裝支架(TH-11附帶)
|
|
MS-TH-2
長距離型用檢測頭安裝支架(TH-12附帶)
|
|
OS-TH12
長距離型用狹縫透光罩(TH-12附帶)
|
|
用途
|
|
|


















科恩電氣
科恩眾和