小型安全光電傳感器 [Type4] ST4系列檢測頭ST4-A1-J02
無論是寬敞空間還是狹小部位均可兼顧安全與效率!
- 基本信息
- 產品種類
- 詳細規格
- 產品尺寸
- 產品用途
- 可選件

無論是寬敞空間還是狹小部位均可兼顧安全與效率!
|
※1
|
※2
|
|
|
|
※3
|
| ※1 | 機器?EMC指定適用 |
|---|---|
| ※2 | Listing認證 |
| ※3 | 可以對應控制類型3 |
特點
■安全使用
使用光幕傳感器時請事先確認系統的安全性、是否滿足以下控制系統的構成。
>>光幕傳感器的使用注意事項
最長檢測距離15m [傳感器]
能確保難以設置防護欄的大型裝置生產的安全。
|
檢測頭可串聯連接和防止干擾[傳感器]
|
可根據防護區域的高度與數量自由安排檢測頭和控制器臺數。 |
|
可進行光軸調節和動作確認 [傳感器]
|
投光器、受光器上配備遮光指示燈。不僅可進行動作確認,還可用作光軸調節的指示燈。而且,當入光量超過150%且穩定動作時,穩定入光 指示燈就會發出信號。 |
|
支持啟動時的光軸調節和故障時的盡快修復
串聯連接時,可利用多功能控制器ST4-C12EX確認檢測頭的入光狀態。
并且,當鎖定時,可確定發生故障的檢測頭。
|
節省空間的小型檢測頭
|
Type4·長距離型實現了與通用光電傳感器同等的緊湊尺寸。 |
|
標準安裝間距 [傳感器]
|
安裝間距與通用光電傳感器相同,很容易置換通用光電傳感器。 |
|
保護構造IP67 [傳感器]
|
符合保護構造IP67。即使在會沾到水的生產線上也可放心使用。 |
|
抑制對周圍傳感器的干擾 [傳感器]
|
可利用投光調節器減光,抑制對周圍傳感器的干擾。 |
|
適用于PNP/NPN的2種極性輸出 [控制器]
|
1種機型可進行PNP/NPN的輸出切換,有助于減少、注冊型號。 |
|
連接器簡便連接 [控制器]
|
通過連接器簡便連接檢測頭,可縮短安裝或更換的時間。 |
|
半導體輸出降低運行成本![控制器]
|
安全輸出采用半導體輸出。無需定期更換安全繼電器。 |
|
故障內容一目了然![多功能型 ST4-C12EX]
|
一旦發生故障時,使控制輸出OFF后,就會通過數字顯示告知故障內容。 |
|
配備3種模式的屏蔽控制功能,兼顧安全與效率
[多功能型 ST4-C12EX]
將檢測頭、屏蔽傳感器、屏蔽燈直接連接到控制器,便可簡單地構建屏蔽控制電路。
|
|
|
屏蔽模式No.2 僅對最上端的檢測頭進行區別屏蔽控制。
|
|
|
屏蔽模式No.3 屏蔽區域分為兩部分
|
|
屏蔽控制中的生產線停止后,也能順利而安全地重新啟動!<配備重啟功能> [多功能型 ST4-C12EX]
在檢測頭被工件遮住的狀態下或屏蔽條件成立之前已緊急停止時,可暫時使所有的檢測頭無效,并順利地重新啟動。
|
種類
檢測頭
檢測頭與控制器必須配套使用。
| 種類 | 形狀 | 檢測距離 |
型號 (注2) |
|
|---|---|---|---|---|
| 電纜長0.2m |
|
0.1~15m | ST4-A1-J02 | |
| ? | 帶投光調節器 | ST4-A1-J02V | ||
| 電纜長1m | ST4-A1-J1 | |||
| ? | 帶投光調節器 | ST4-A1-J1V | ||
| (注1): | 檢測距離是在投光器和受光器之間可設定的范圍。檢測物體的距離。 |
|---|---|
| (注2): | 產品的銘牌上所標記的型號帶"E"符號的機型為投光器,帶"D"符號的機型為受光器。 |
控制器
規格
檢測頭
| 種類 | 電纜長0.2m | 電纜長1m | |||
| 附帶投光旋鈕 | 附帶投光旋鈕 | ||||
| 型號 | ST4-A1-J02 | ST4-A1-J02V | ST4-A1-J1 | ST4-A1-J1V | |
| 適用標準(注2) |
IEC 61496-1/2(JIS B 9704-1/2/UL 61496-1/2)(類型4)、 ISO 13849-1(類型4、PLe)、JIS B 9705-1(類型4)、 IEC 61508-1?7(SIL3)、IEC 62061(SIL3)、JIS B 9961(SIL3)、 JIS C 0508-1?7(SIL3)、UL 1998、 OSHA 1910.212、OSHA 1910.217(C)、 ANSI B11.1?B11.19、ANSI/RIA R15.06、ANSI/ISA S84.01(SIL3) |
||||
| 檢測距離 | 0.1?15m(注3) | ||||
| 檢測物體 | φ9mm以上的不透明體 | ||||
| 有效開口角 | 檢測距離超過3m時,為±2.5°以下(基于IEC 61496-2/UL 61496-2) | ||||
| 電源電壓 | 由控制器供電 | ||||
| 消耗電流 | 投光器:11mA以下,受光器:9mA以下 | ||||
| 遮光指示燈(注4) | 紅色LED(遮光或鎖定時亮起、入光時熄滅) | ||||
| 投光表示燈 | 緑色LED(投光時點燈、投光停止時消燈) | ||||
| 穩定入光指示燈 | 綠色LED(穩定入光時亮起、不穩定入光時熄滅) | ||||
|
環 境 性 能 |
保護構造 | IP67(IEC) | |||
| 使用環境溫度 | -10~+55℃(注意不可結露、結冰),存儲時:-25~+70℃ | ||||
| 使用環境濕度 | 30~85%RH,存儲時:30~95%RH | ||||
| 使用環境照明度 | 白熾燈:受光面照明度3,500lx以下 | ||||
| 耐電壓 | AC1,000V 1分鐘 所有電源連接端子與外殼之間 | ||||
| 絕緣電阻 | 所有電源連接端子與外殼之間,20MΩ以上,基于DC500V的高阻表 | ||||
| 耐振動 |
頻率10~55Hz,雙振幅:0.75mm或最大加速度90m/s2 X,Y和Z方向各2小時 |
||||
| 耐沖擊 | 加速度300m/s2 X,Y和Z方向各3次 | ||||
| 投光元件 | 紅外LED(投光波峰波長:870nm) | ||||
| 材質 | 本體外殼:PBT(聚對苯二甲酸乙二醇酯),透鏡:丙烯,顯示罩:丙烯 | ||||
| 電纜 | 帶連接器的屏蔽電纜,長0.2m | 帶連接器的屏蔽電纜,長1m | |||
| 電纜延長 | 使用另售的專用電纜,投光器和受光器用電纜全長可分別延長至50m | ||||
| 重量(包括投光器和受光器) | 本體重量:約45g,包裝重量:約60g | 本體重量:約100g,包裝重量:約140g | |||
(注1): 無指定時的測量條件為使用環境溫度=+20℃。
(注2): 與控制器ST4-C11/ST4-C12EX組合使用的狀態下符合標準。
(注3): 檢測距離是在投光器和受光器之間可設定的范圍。檢測物體的檢測距離也可為0.1m以下。
(注4): 表示同一地址投光器和受光器間的遮光信息。并非表示OSSD輸出。
控制器
| 種類 | 控制器 | 多功能控制器 | |
| 型號 | ST4-C11 | ST4-C12EX | |
| 適用檢測頭 | ST4-A□ | ||
| 串聯連接臺數 | 最多可連接6套檢測頭,防止相互干擾(最多連接3臺控制器時,可防止最多18套檢測頭的相互干擾) | ||
| 適用標準(注2) |
IEC 61496-1/2(JIS B9704-1/2/UL 61496-1/2)(類型4)、 ISO 13849-1(類型4、PLe)、JIS B 9705-1(類型4)、 IEC 61508-1?7(SIL3)、IEC 62061(SIL3)、JIS B 9961(SIL3)、 JIS C 0508-1?7(SIL3)、UL 1998、 OSHA 1910.212、OSHA 1910.217(C)、 ANSI B11.1?B11.19、ANSI/RIA R15.06、ANSI/ISA S84.01(SIL3) |
||
| 電源電壓 | 24V DC?+10?/?-15脈動P-P10%以下 | ||
| 消耗電流 | 100mA以下(不含檢測頭ST4-A□的消耗電流) | 120mA以下(不含檢測頭ST4-A□的消耗電流) | |
|
控制輸出 (OSSD1、OSSD2)(注3) |
PNP開路集電極晶體管或NPN開路集電極晶體管雙重輸出×1系統 (通過輸出極性選擇開關設定) ?最大源電流:200mA ?外加電壓:與電源電壓相同(控制輸出和+V之間) ?剩余電壓:2.5V以下(源電流為200mA時) ?漏電流:200μA以下(包括電源OFF時) ?最大負載容量:1μF(空載~最大流出電流) ?負載配線電阻:3Ω以下(控制輸出和負載之間) ?最大流入電流:200mA ?外加電壓:與電源電壓相同(控制輸出和0V之間) ?剩余電壓:2.0V以下(流入電流為200mA時) ?漏電流:200μA以下(包括電源OFF時) ?最大負載容量:1μF(空載~最大流入電流) ?負載配線電阻:3Ω以下(控制輸出和負載之間) |
||
|
工作模式 (輸出動作) |
連接著的ST4-A□所有光軸入光時ON 連接著的ST4-A□1光軸以上遮光時OFF (ST4-C12EX時:屏蔽/重啟控制中除外) 鎖定時OFF |
||
|
保護電路 (短路保護) |
配備 | ||
| 反應時間 |
OFF反應:25ms以下、 ON反應:90ms以下(自動復位)/140ms以下(手動復位) |
||
| 輔助輸出(注3) |
PNP開路集電極晶體管或NPN開路集電極晶體管 (通過輸出極性選擇開關設定) ST4-C11:1輸出 ST4-C12EX:4輸出 ?最大源電流:100mA ?外加電壓:與電源電壓相同(輔助輸出和+V之間) ?剩余電壓:2.5V以下(源電流為100mA時) ?最大流入電流:100mA ?外加電壓:與電源電壓相同(輔助輸出和0V之間) ?剩余電壓:2.0V以下(流入電流為100mA時) |
||
|
工作模式 (輸出動作) |
連接著的ST4-A□所有光軸入光時OFF 連接著的ST4-A□1光軸以上遮光時ON |
<輔助輸出1> 屏蔽功能無效時ON,有效時OFF <輔助輸出2> 重啟功能無效時ON,有效時OFF <輔助輸出3> 屏蔽燈正常時ON,異常時OFF <輔助輸出4> 控制輸出(OSSD1、OSSD2)的負邏輯 |
|
|
保護電路 (短路保護) |
配備 | ||
| 屏蔽燈輸出(注3) | - | 可使用的屏蔽燈:24V DC、1~10W | |
|
保護電路 (短路保護) |
配備 | ||
|
環 境 性 能 |
保護構造 | 外殼部:IP40(IEC)、端子部:IP20(IEC) | |
| 使用環境溫度 | -10~+55℃(注意不可結露、結冰),存儲時:-25~+70℃ | ||
| 使用環境濕度 | 30~85%RH,存儲時:30~95%RH | ||
| 耐電壓 | AC1,000V 1分鐘 所有電源連接端子與外殼之間 | ||
| 絕緣電阻 | 所有電源連接端子與外殼之間,20MΩ以上,基于DC500V的高阻表 | ||
| 耐振動 | 頻率10~55Hz,雙振幅:0.75mm或最大加速度902 X,Y和Z方向各2小時 | ||
| 耐沖擊 | 加速度300m/s2 X,Y和Z方向各3次 | ||
| 連接端子 | 可裝拆式彈簧壓緊端子 | ||
| 配線電纜 |
端子座連接器:0.2~1.5mm2、 電源側連接器(A1、A2):0.2?2.5mm2(僅限ST4-C12EX) |
||
| 材質 | 本體外殼:ABS | ||
| 重量 | 本體重量:約180g,包裝重量:約390g | 本體重量:約240g,包裝重量:約450g | |
注1): 無指定時的測量條件為使用環境溫度=+20℃。
(注2): 與檢測頭ST4-A□組合使用的狀態下符合標準。
(注3): 當控制輸出(OSSD1、OSSD2)、輔助輸出和屏蔽燈輸出的總電流超過400mA時,控制器與電源間的電纜配線電阻應小于1Ω。此外,總電流如果小于400mA,則控制器與電源間的電纜配線電阻應小于2Ω。
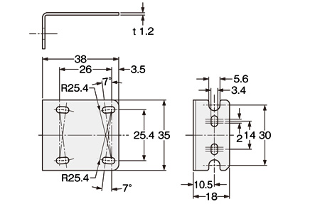
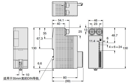
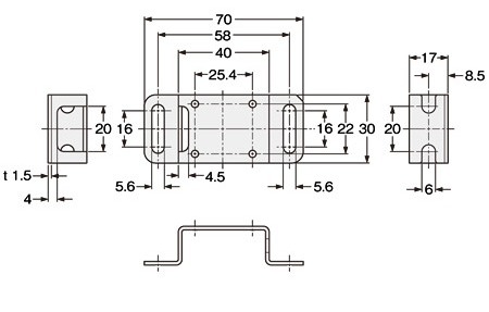
尺寸圖
- 單位mm
ST4-A□
檢測頭
|
ST4-C11
控制器
|
ST4-C12EX
控制器
|
ST4-CCJ□
延長電纜(另售)
|
ST4-CCJ05-WY
分支電纜(另售)
|
MS-CX2-1
檢測頭安裝支架(另售)
|
MS-ST4-3
檢測頭安裝支架(另售)
|
MS-ST4-6
檢測頭安裝支架(另售)
|
用途
|
|
可選件
| 品名 | 型號 | 內容 | ||
|---|---|---|---|---|
|
延長 電纜 |
ST4-CCJ1E |
電纜長1m 本體重量約55g(1根) |
用于投光器 |
用于延長ST4-A□。 5芯屏蔽電纜投光器和受光器用各1根 電纜顏色: 投光器用灰色、 受光器用灰色 (帶黑線) 連接器顏色: 投光器用灰色、 受光器用黑色 最小彎曲半徑:R5mm |
| ST4-CCJ1D | 用于受光器 | |||
| ST4-CCJ3E |
電纜長3m 本體重量約130g(1根) |
用于投光器 | ||
| ST4-CCJ3D | 用于受光器 | |||
| ST4-CCJ5E |
電纜長5m 本體重量約200g(1根) |
用于投光器 | ||
| ST4-CCJ5D | 用于受光器 | |||
| ST4-CCJ7E |
電纜長7m 本體重量約270g(1根) |
用于投光器 | ||
| ST4-CCJ7D | 用于受光器 | |||
| ST4-CCJ15E |
電纜長15m 本體重量約540g(1根) |
用于投光器 | ||
| ST4-CCJ15D | 用于受光器 | |||
|
分支 電纜 |
ST4-CCJ05-WY |
電纜長0.5m 本體重量約80g(2根) |
串聯連接ST4-A□時使用的Y型連接器。 5芯屏蔽電纜。 投光器和受光器用2根1套 電纜顏色: 投光器用灰色、 受光器用灰色 (帶黑線) 連接器顏色: 投光器用灰色、 受光器用黒色 最小彎曲半徑:R5mm |
|
|
檢測頭 安裝支架 |
MS-CX2-1 | 縱向安裝支架。投光器和受光器需要2個。 | ||
| MS-ST4-3 | 倒裝式安裝支架。投光器和受光器需要2個。 | |||
| MS-ST4-6 | 橫向保護安裝支架。投光器和受光器需要2個。 | |||
|
圓形 狹縫透光罩 (注1) |
OS-ST4-2 (狹縫透光罩尺寸?2mm) |
為了抑制對周圍傳感器的干擾而減少光量。 |
檢測距離 單側安裝時:3m 兩側安裝時:0.75m |
|
|
OS-ST4-3 (狹縫透光罩尺寸?2mm) |
檢測距離 單側安裝時:4.5m 兩側安裝時:1.5m |
|||
| (注1): | 安裝狹縫透光罩時的檢測物體為?9mm以上的不透明體。 |
|---|
|
|
|
|
|
|||||||||
|






















科恩電氣
科恩眾和